EasyManua.ls Logo

ComfortZone RX50 - System Overview RX35; RX50; RX65

Default Icon
66 pages
Print Icon
To Next Page IconTo Next Page
To Next Page IconTo Next Page
To Previous Page IconTo Previous Page
To Previous Page IconTo Previous Page
Loading...
ComfortZone RX35/RX50/RX65
service & maintenance
56
16
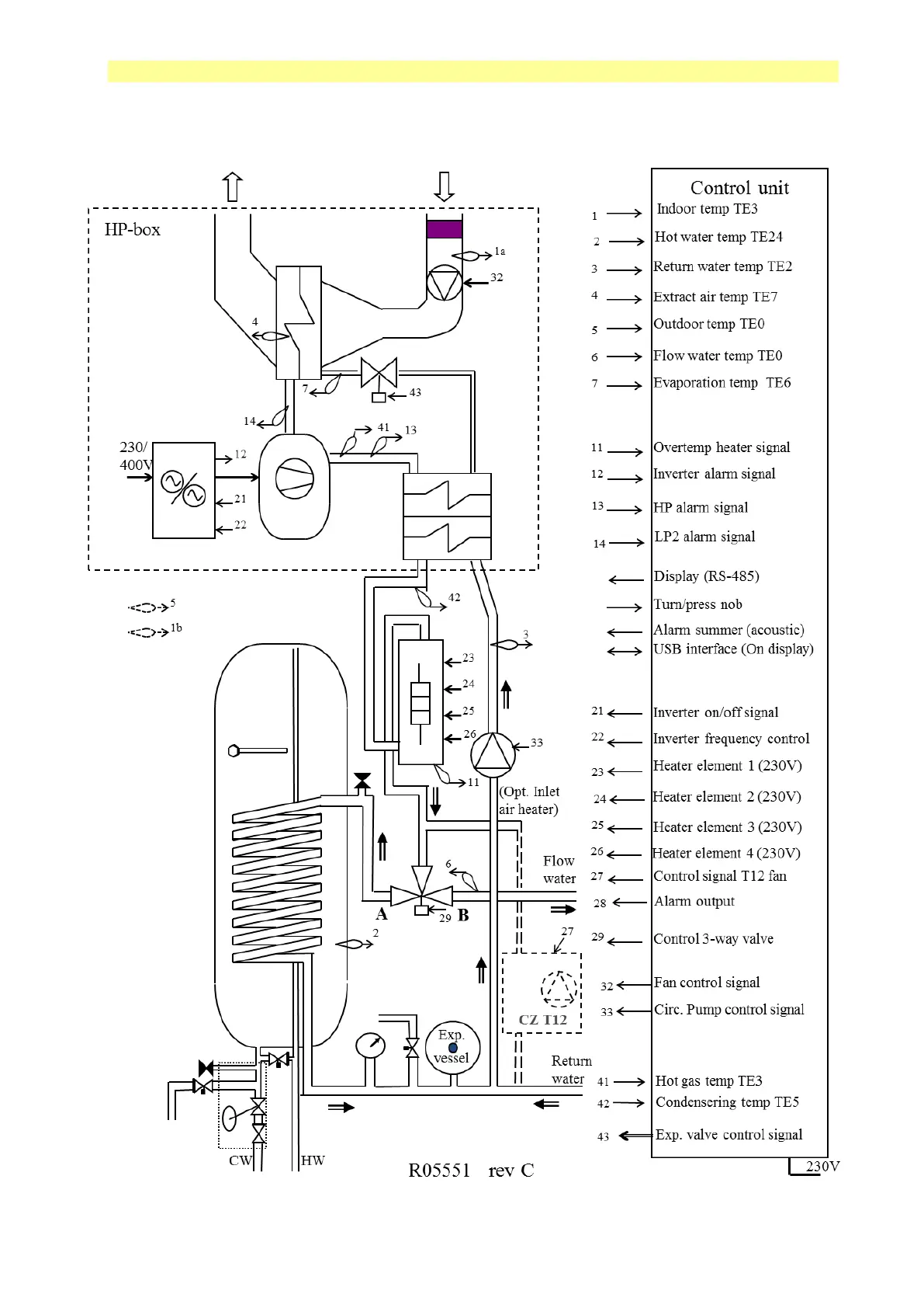
System overview RX35 / RX50 / RX65

Table of Contents

Related product manuals