EasyManua.ls Logo

Compur Monitors Statox 506 - 2-Wire Connection Diagram

Compur Monitors Statox 506
34 pages
Print Icon
To Next Page IconTo Next Page
To Next Page IconTo Next Page
To Previous Page IconTo Previous Page
To Previous Page IconTo Previous Page
Loading...
9
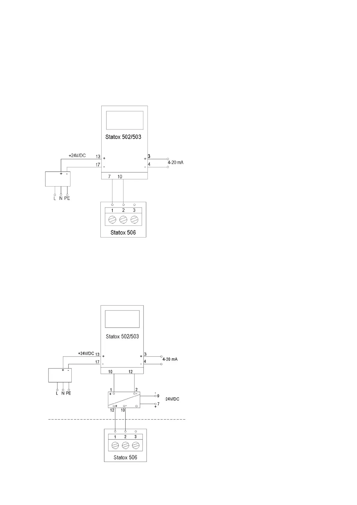
3.2.2 Connection diagram with Statox 502/503 Control Module in the 2-wire mode
Before connecting the Statox 506 to a Compur Statox 502 or Statox 503 Control Module, the appropriate
program in the control module must be set. The programs are listed in the operation manual of the control
module.
3.2.2.1 2-wire mode installation in non-hazardous areas
3.2.2.2 2-wire mode installation in hazardous areas
Caution:
The input / output terminals may be different for
different intrinsically safe repeaters. Wrong
connection might destroy the repeater and / or the
control module. Avoid shortcircuits and wrong
polarity!
The terminal numbers at the repeater refer to
model 9160/13-11-11 from R.Stahl, Waldenburg
(Siemens 7NG4124-0AA00). It needs an own
power supply and operates as current source at
terminals 1 and 2.
Do not operate control module and repeater on
the same bus the polarity is different!
Non-hazardous area
Hazardous area
Power
supply
Power
supply