EasyManua.ls Logo

Contrec 212 - Pulse Output

Contrec 212
72 pages
Print Icon
To Next Page IconTo Next Page
To Next Page IconTo Next Page
To Previous Page IconTo Previous Page
To Previous Page IconTo Previous Page
Loading...
212-M-V2.1
54 Input & Output Connections
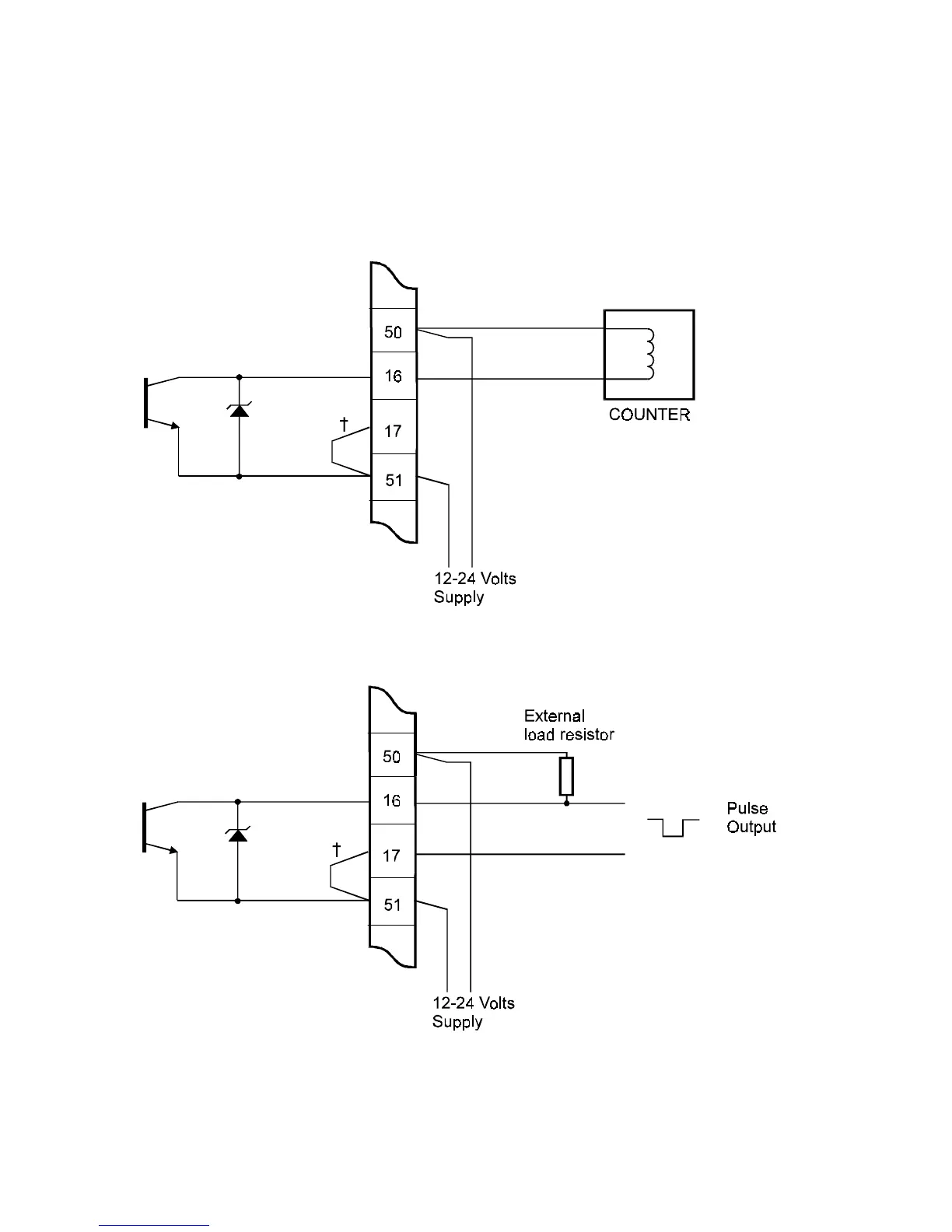
6.4 PULSE OUTPUT
A pulse output is available on terminals 16 and 17. The output is an open
collector transistor suitable for external counters.
Linked internally

Related product manuals