EasyManua.ls Logo

Contrec 212 - Alarm Relay Outputs

Contrec 212
72 pages
Print Icon
To Next Page IconTo Next Page
To Next Page IconTo Next Page
To Previous Page IconTo Previous Page
To Previous Page IconTo Previous Page
Loading...
212-M-V2.1
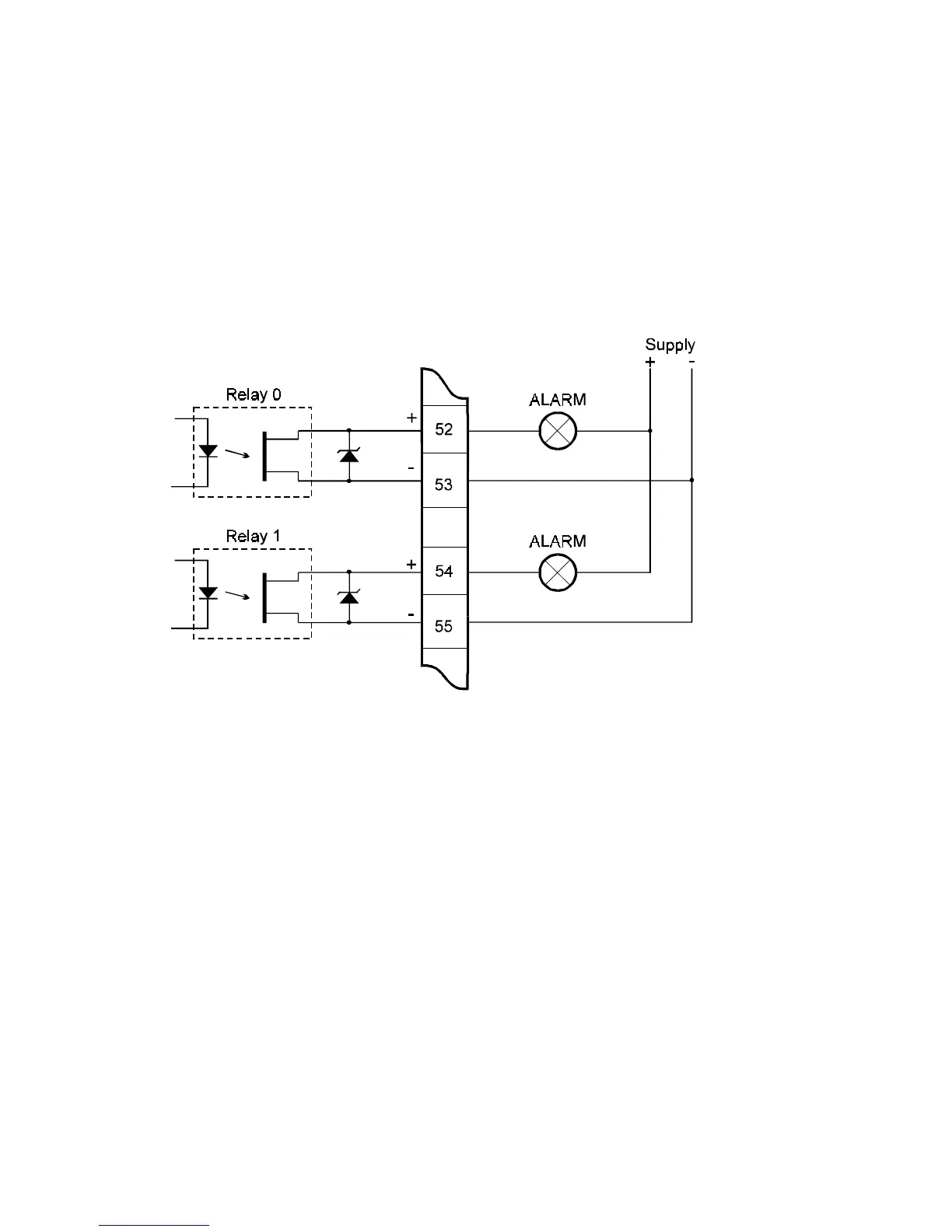
56 Input & Output Connections
6.5 ALARM RELAY OUTPUTS
Note that the High/Low alarms are not available when the 4-20mA output
option is installed.
Two Solid State dc relays are provided as alarm outputs. These relays are
fully isolated and can be used to drive external relays, lamps, audible alarms,
etc.
Output characteristics for Relay 0 and Relay 1 are:
Maximum Voltage 30 Volts dc
Maximum Current 250mA dc
Off State Leakage Current 5uA maximum
On State Resistance 6 ohms maximum
The relays can be individually programmed during Set-up to alarm
on:
Flow rate Low or High
Power Low or High
Feed Temperature Low or High
Return Temperature Low or High
Temperature Difference Low or High

Related product manuals