EasyManua.ls Logo

Control Techniques Unidrive 1401 - Macro 1 Easy Mode Logic Diagram

Control Techniques Unidrive 1401
208 pages
Print Icon
To Next Page IconTo Next Page
To Next Page IconTo Next Page
To Previous Page IconTo Previous Page
To Previous Page IconTo Previous Page
Loading...
Safety
Information
Product
Information
Mechanical
Installation
Electrical
Installation
Getting
Started
Menu 0
Running
the motor
Optimisation
Macros
Advanced
Parameters
Technical
Data
Diagnostics
UL Listing
Information
106 Unidrive User Guide
www.controltechniques.com Issue Number: 9
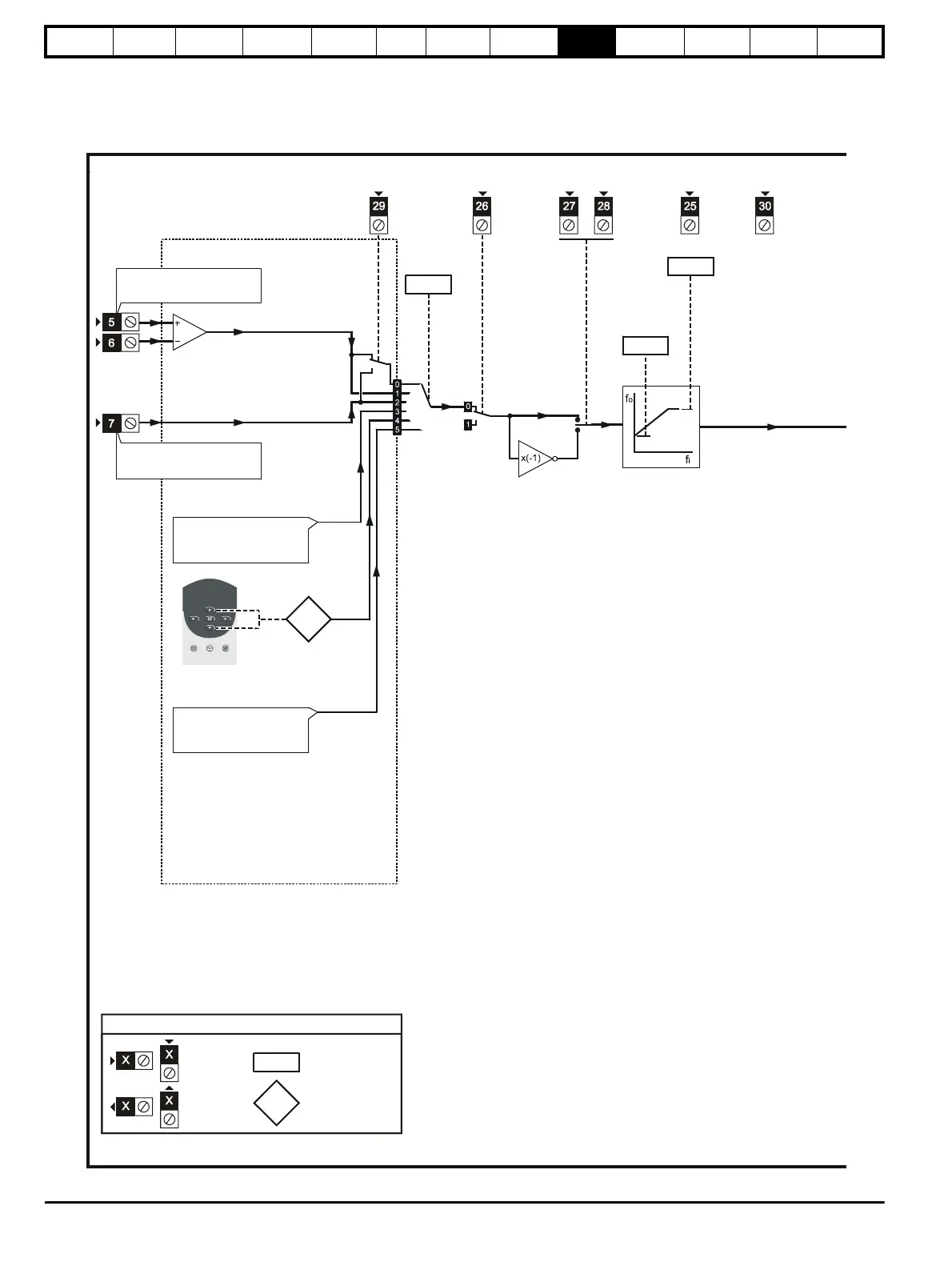
Reference selection
Frequency/speed ref. 1
Frequency/speed ref. 2
Keypad
reference
Precision reference
(not used with Menu 0)
Preset references
(use Macro 3)
JOG
SELECT
RUN
FORWARD
RUN
REVERSE
RESET
Menu 0 changes from default configuration
6
0.35
0.05
Reference
selector
ANALOG INPUT 1/
INPUT 2 SELECT
Minimum
frequency/
speed clamp
Maximum
frequency/speed
clamp
0.01
0.02
OL> EXTERNAL TRIP
CL> DRIVE ENABLE
6
0.XX
0.XX
Key
Read-write (RW)
parameter
Read-only (RO)
parameter
Input
terminals
Output
terminals
9.4 Macro logic diagrams and Menu 0 parameter changes
Figure 9-1 Macro 1 Easy mode logic diagram

Table of Contents

Related product manuals