EasyManua.ls Logo

Craftex CX205 - Page 31

Craftex CX205
35 pages
Print Icon
To Next Page IconTo Next Page
To Next Page IconTo Next Page
To Previous Page IconTo Previous Page
To Previous Page IconTo Previous Page
Loading...
31
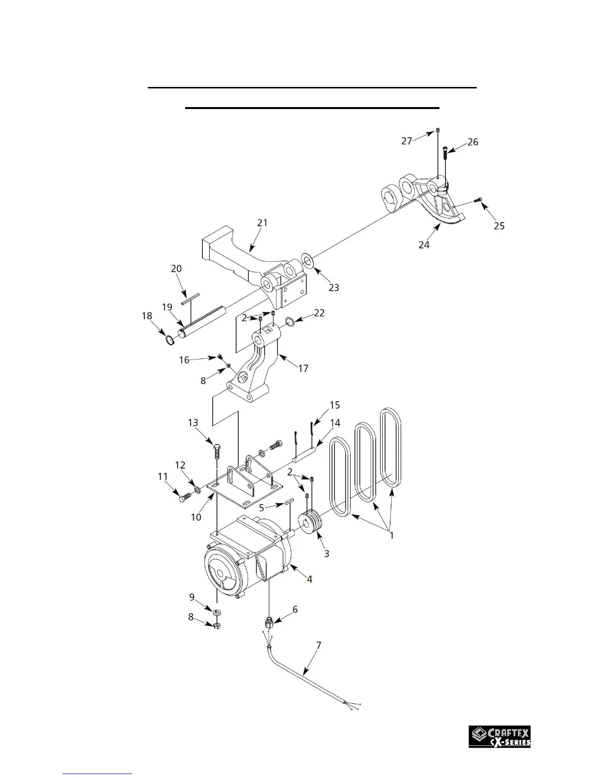
CX205/CX206 – LEFT TILT TABLE SAW
MOTOR PARTS BREAKDOWN