EasyManua.ls Logo

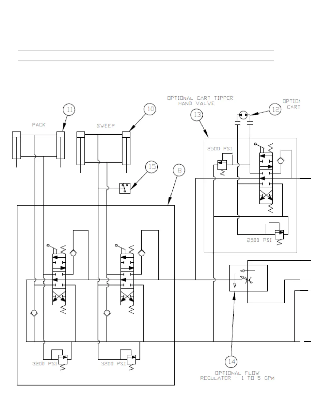
CURBTENDER Quantum Compact - Hydraulic Schematic (Manual Valve)

CURBTENDER Quantum Compact
104 pages
Print Icon
To Next Page IconTo Next Page
To Next Page IconTo Next Page
To Previous Page IconTo Previous Page
To Previous Page IconTo Previous Page
Loading...
44 | CURBTENDER, INC
11
10
12
14
8
3200 PSI
2500 PSI
2500 PSI
OPTIONAL ROTARY
CART DUMPER
SEE NOTE
PACK SWEEP
13
HYDRAULIC SCHEMATIC - MANUAL VALVE