EasyManua.ls Logo

CZone COI - System Example Diagram

CZone COI
24 pages
Print Icon
To Next Page IconTo Next Page
To Next Page IconTo Next Page
To Previous Page IconTo Previous Page
To Previous Page IconTo Previous Page
Loading...
EN / CZone® COI Combination Output Interface
12
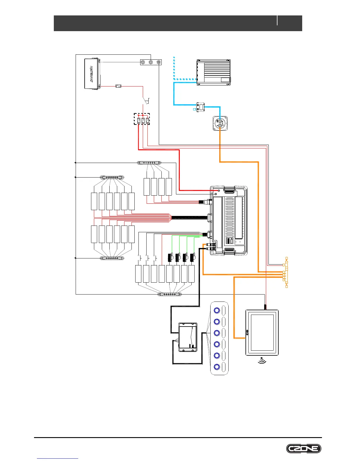
SYSTEM EXAMPLE 3.7
Figure 6. CZone COI & Masterbus System Example
Green - Power
Red - T raffic
NETWORK
STATUS
Green-A vailable
Red - Fault
DC POWER
USB
DIPSWITCH
1 2 3 4 5 6 7 8 9 10 11 12 13 14 15 16
CEILING LIGHTS
PATIO LIGHT
AISLE LIGHT
GALLEY LIGHTS
BATH CEILING
VENT
AISLE LIGHTS C EILING LIGHTS GAL LEY LIGHTS ACCENT LIGHTS WATE R PUMP
TM
Fuse Block
Batt Isolator
NETWORK
DISPLAY
COI
WATER PUMP
GRAY HOLDING
TANK VALVE
BLACK HOLDING
TANK VALVE
WASTE PUMP
MAIN CEILING
VENT
ROPE LIGHTS
GREY WATER
TANK LEVEL
BLACK WATER
TANK LEVEL
LPG LEVEL
MAIN BATTERY
VOLTS
KEYFOB BUTTON
1
KEYFOB BUTTON
2
PATIO LIGHT
FRESH WATER
TANK LEVEL
Terminator
Mbus
CZone - Ma sterBus
Bridge Interface
Red - Fault
Orange Flash - Traffic
Green - Active/OK
CZone/Masterbus Bridge
80-911-0072-00
CZone Touch 5
80-911-0120-00
Neg Bar
NMEA 2000 Network
Network Power (12VDC)
Terminator
Terminator
WiFi Access Point
MV Chargemaster 12/50
44010500
(Optional)
(Optional)
CZone COI
SPARE
LOUNGE
READING LIGHTS
FURNACE
FRIDGE
FREEZER
EXT SEWER
LIGHT
Network
Mbus
Batt Fuse
COI DSB
This drawing is for illustration purposes of the stated product or system.
This is not a complete installation drawing and as such should not be relied on as the sole source of information.

Related product manuals