EasyManua.ls Logo

DAB ES 1 M - Page 120

DAB ES 1 M
Print Icon
To Next Page IconTo Next Page
To Next Page IconTo Next Page
To Previous Page IconTo Previous Page
To Previous Page IconTo Previous Page
Loading...
118
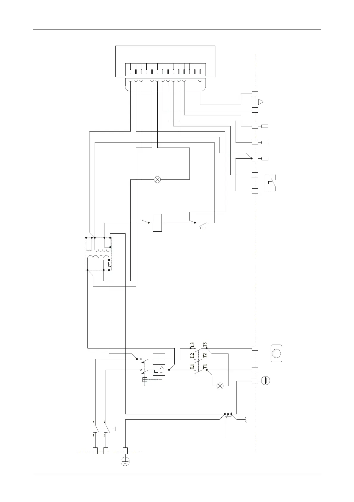
ES 1 M – ES 3 M
M2 S
Ex0
-BL1
IL
M
20
Q
32
31
< 5A
<250V
14
10
8
7
6
5
3
1
11 11
12
13
-HL2
14
10
9
8
7
230
0
0
A2
A1
-KM1
B
19
18
43
6
5
4
3
2
1
-XC1
-XC1
9
-HL3
L1
N
L1 N
-QS1
-QM1
2
N
N1
-KM1
P1
PIASTRA
-SB1
2
-TC1
24
230
Ex0
0
0
0
0
24
24
30VA
3VA

Table of Contents