EasyManua.ls Logo

DAB ES 1 M - Page 121

DAB ES 1 M
Print Icon
To Next Page IconTo Next Page
To Next Page IconTo Next Page
To Previous Page IconTo Previous Page
To Previous Page IconTo Previous Page
Loading...
119
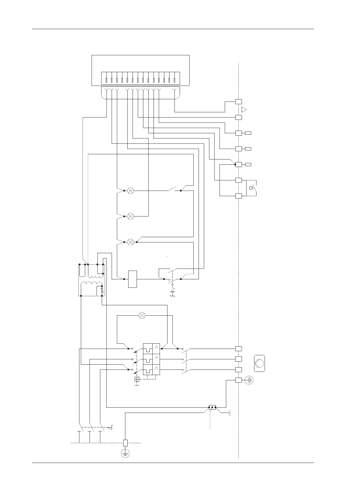
ES 0,75 T - ES 1 T - ES 1,5 T - ES 3 T - ES 4 T - ES 7,5 T - ES 10 T -ES 12,5T
ES 15 T - ES 20 T - ES 25 T -ES 30 T - ES 40 T
M2 S
-BL1
2
24
I
LM
20
Q
32
31
< 5A
< 250V
14
10
8
7
6
5
3
1
9
11 11
12
13
-HL2
14
10
9
8
7
-HL4
400
0
0
-TC1
-QS1
3
4
1
2
5
6
III
1
2
3
4
5
6
-QM1
L1
T1
L2
T2
L3
T3
-KM1
L1
L2
L3
A2
A1
-KM1
021
-SA1
P1
M2 3
M2 4
A1 3
A1 4
-HL3
-KM1
13
14
-HL1
B
19
18
4
3
UVW
PIASTRA
6
5
4
3
2
1
-XC1
-XC1
400
Ex 0
0
0
0
0
24
24
30VA
3VA

Table of Contents