EasyManua.ls Logo

DAB ES 1 M - Page 122

DAB ES 1 M
Print Icon
To Next Page IconTo Next Page
To Next Page IconTo Next Page
To Previous Page IconTo Previous Page
To Previous Page IconTo Previous Page
Loading...
120
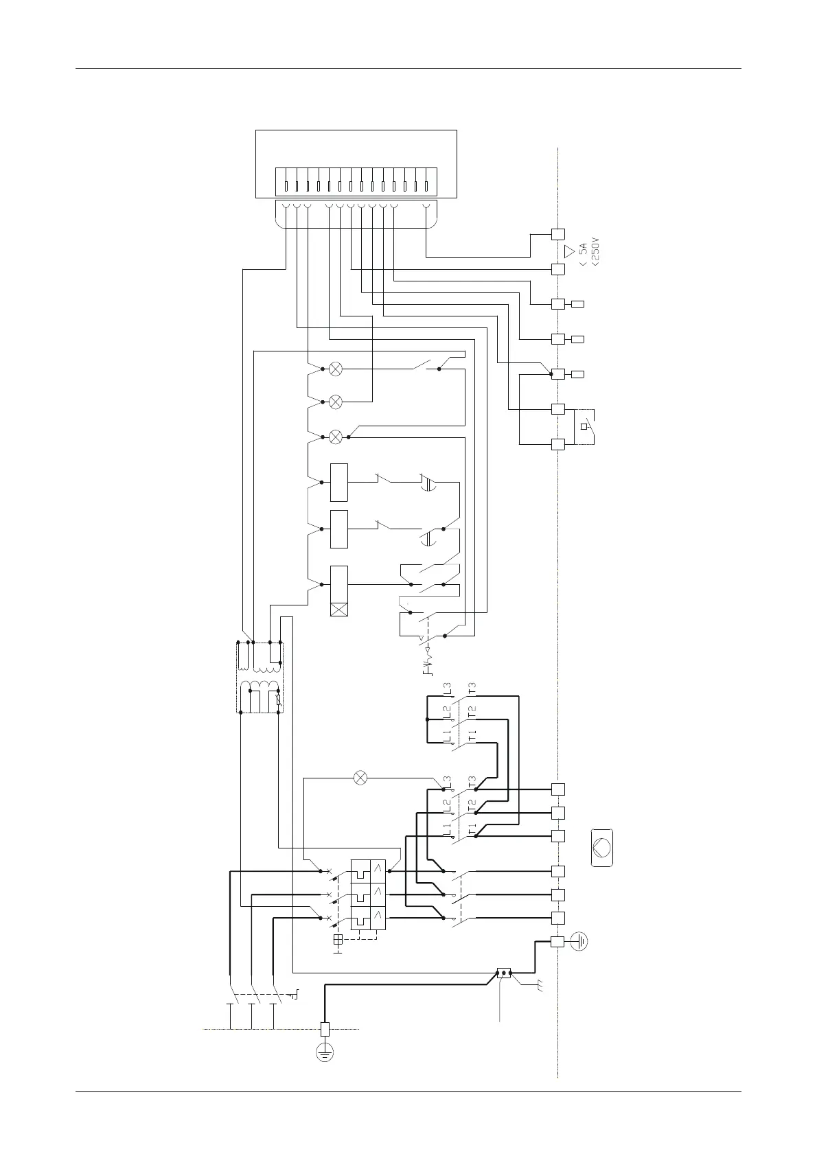
ES 7,5 T SD - ES 10 T SD - ES 12,5 T SD - ES 15 T SD - ES 20 T SD - ES 25 T SD
ES 30 T SD - ES 40 T SD
M2 S
-BL1
2
I
L
M
20
Q
32
31
14
10
8
7
6
5
3
1
9
11 11
12
13
-HL2
14
10
9
8
7
-HL3
-KM1
13
14
-HL1
B
19
18
4
3
6
5
4
3
2
1
-XC1
-XC1
-HL4
400
0
0
24
-TC1
-QS1
3
4
1
2
5
6
III
1
2
3
4
5
6
-QM1
L1
L2
L3
PIASTRA
PLATE
-KMS1
U2 V2 W2
L1
T1
L2
T2
L3
T3
P1
V1 W1
-KMD1-KM1
U1
A2
A1
-KM1
021
-SA1
M2 3
M2 4
A13
A14
-KMS1
-KM1
-KM1 -KM1
-KMS1
-KMD1
A2
A1
-KMD1
A2
A1
-KMS1
400
Ex0
0
0
0
0
24
24
30VA
3VA
230
Ex

Table of Contents