EasyManua.ls Logo

Daikin Enfinity - Additional Accessories

Daikin Enfinity
56 pages
Print Icon
To Next Page IconTo Next Page
To Next Page IconTo Next Page
To Previous Page IconTo Previous Page
To Previous Page IconTo Previous Page
Loading...
additional aCCessories
www.DaikinApplied.com 41 LARGE VERTICAL WSHP IM 1059-12
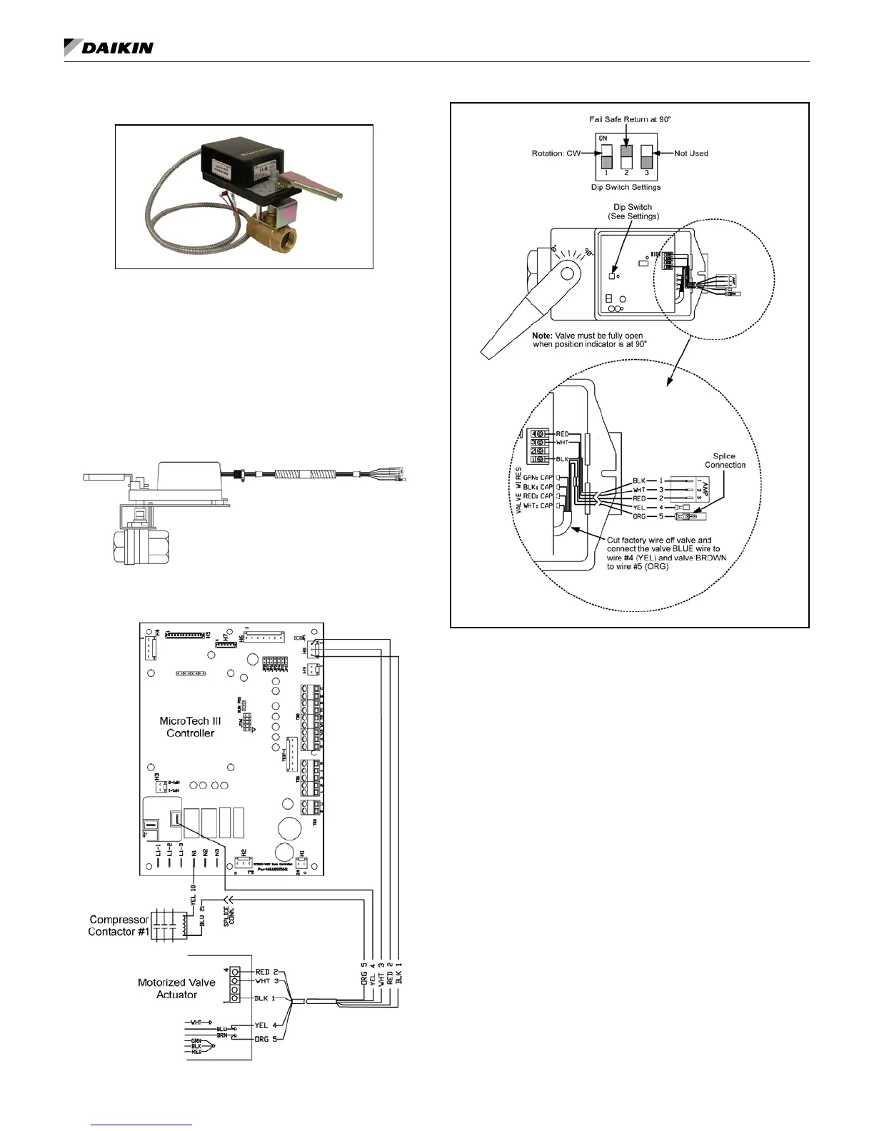
2-way motorized isolation valve
Figure 34: 2-way motorized isolation valve
Used in variable pumping type applications, the valve ac-
tuator is wired and typically piped in the return water line.
The 2-way motorized water valve kit includes the valve body,
actuator and wire harness. The 24VAC valve actuator must
be wired directly to terminal block H8 on the MicroTech III
controller. See Figure 36 on page 41 for wiring details. The
valve will only energize on a call for heating or cooling. The
1-1/4" valve is rated for 300 psig (2068 kPa and the 1-1/2"
valve is rated for 150 psig (1034 kPa).
Figure 35: Normally closed, power open motorized valve
.
Figure 36: 2-way motorized valve wiring to MicroTech III
controller
Figure 37: 2-way motorized valve wiring details

Table of Contents

Related product manuals