EasyManua.ls Logo

Daikin Enfinity - Typical Refrigeration Cycle Operations

Daikin Enfinity
56 pages
Print Icon
To Next Page IconTo Next Page
To Next Page IconTo Next Page
To Previous Page IconTo Previous Page
To Previous Page IconTo Previous Page
Loading...
IM 1059-12 LARGE VERTICAL WSHP 50 www.DaikinApplied.com
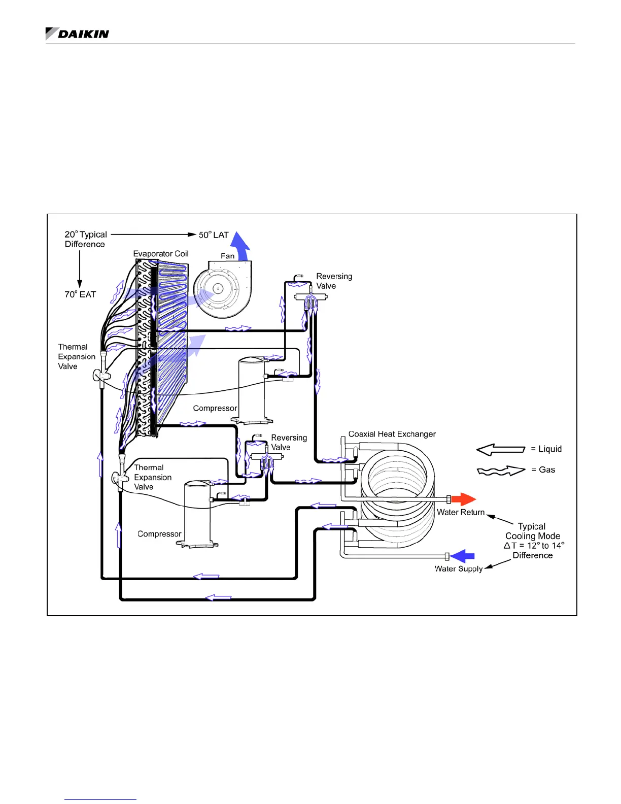
Typical cooling refrigeration cycle – dual
compressors
Note: Typical temperature readings are at full load con-
ditions at ISO-13256 for boiler-tower applications.
When the wall thermostat calls for COOLING, the
reversing valve (de-energized) directs the ow of the
refrigerant, a hot gas, from the compressor to the water-
to-refrigerant heat exchanger (coaxial heat exchanger).
There, the heat is removed by the water, and the hot
gas condenses to become a liquid. The liquid then
ows through a thermal expansion valve to the air-to-
refrigerant heat exchanger coil (evaporator). The liquid
then evaporates and becomes a gas, at the same time
absorbing heat and cooling the air passing over the
surfaces of the coil. The refrigerant then ows as a low
pressure gas through the reversing valve and back to the
suction side of the compressor to complete the cycle.
Figure 39: Cooling refrigeration cycle
tyPiCal refrigeration CyCles

Table of Contents

Related product manuals