EasyManua.ls Logo

Daikin MicroTech II - Page 46

Daikin MicroTech II
70 pages
Print Icon
To Next Page IconTo Next Page
To Next Page IconTo Next Page
To Previous Page IconTo Previous Page
To Previous Page IconTo Previous Page
Loading...
44 Daikin IM 696-4
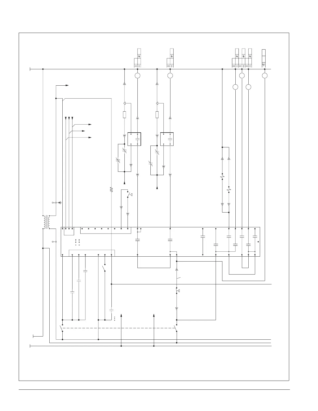
Typical Wiring Diagrams
Figure 19: Condensing section control, RPS 60 (with scroll compressors)
/2.68
/1.68 /1.68
H814-12
1.3K OHM, 2W
H815-11
(OPEN OUTPUT)
H827-10
H827-11
H817-3
H817-4
H815-7
MP1JH816-5
MP3J
H822-1
H820-3
H820-2
H821-8
H822-12
H815-6
J823A
J823B
H830-4
H830-3
H831-2
H831-4
800
801
802
803
804
805
806
807
808
809
810
811
812
813
814
815
816
817
818
819
820
821
822
823
824
825
826
827
828
829
830
831
832
833
834
835
836
837
817
836
822
207
711
817
727
822
807
705
757
709
711
808 815
727
809 820
115V
24V
CLASS 2
BO4
NOCOM
BO5
NOCOM
BO6
NOCOM
BO8
NOCOM
BO7
NOCOM
BO9
NOCOM
(COMPR #5)
BO2
NOCOM
(COMPR #3)
BO3
NOCOM
BO1
NOCOM
(COMPR #1)
DISABLEENABLE
DISABLEENABLE
B02
B01
JUMPERS
J10
J9
COMPR.
CONTROL
BOARD
INPUTS
BI=BINARY
AI=ANALOG
(JUMPER LOCATED
JUST UNDER
COMM. CARD)
N2
BUS
24V SRC
jprs
BO7
1413
35
3
2
4
1
21
GRD
18
15
13
11
10
7
20
4
17
16
12
9
8
19
6
5
2
13
COM2
BI6
BI5
BI4
BI3
BI2
COM1
BI1
REF
N2-
N2+
24C
BI12
BI11
BI8
BI10
BI9
BI7
24V
43
21
1413
11
12
12
8
GRD
30
3129
28
7NO7
87
A1 A2
A1 A2
A1 A2
1110
21
3
A1
A2
21
2222222
M2
T2
M1
T1
4
7
6
12(32)11(31)
5
2221
12
A1
A2
2
1
2222222
1M2
T2
M1
T1
2
12(32)11(31)
2221
8
3
4
24
3
1
2
1
2
M1
R1
T9
PS1
CCB1
CS1
N_24/8.38
M3
REF/2.11
N2+/2.10
N2-/2.10
REF/8.40N2+/8.39
N2-/8.39
PL25
+PP
LP1
+NB
PL25
+PP
RESISTOR
TB1E
TB1E
TB1ETB1E
TB1E
MCB
R1
M12
M11
M13
115VAC/8.20
115VAC/8.15
PL27
+PP
PL27
+PP
HP3
+NB
PL25
+PP
M1
HTR1
+NB
MP1
+NB
PL25
+PP
PL25
+PP
PL25
+PP
MMP1
PL25
+PP
115VAC/8.14
M1
PL27
+PP
M3
HTR3
+NB
PL27
+PP
MP3
+NB
PL27
+PP
115VAC/8.19
MMP3
M3
PL27
+PP
PL27
+PP
PL10
+PP
PL9
+PP
PL9
+PP
PL10
+PP
SV5
+NB
SV1
+NB
T2_115VAC
T1_115VAC T1_N
(Schematic continues on next page.)
803A
805A
815A
814A
812A
809A
808A
807A
805B
834A
833A
832A
823A 823B
822A 822B
819A
817A 817B 817C
814B
813A
830A
210D
209C
210C
210D
209C
210C
168A
168A
168A
203B
168C
168A
168A

Table of Contents

Other manuals for Daikin MicroTech II

Related product manuals