EasyManua.ls Logo

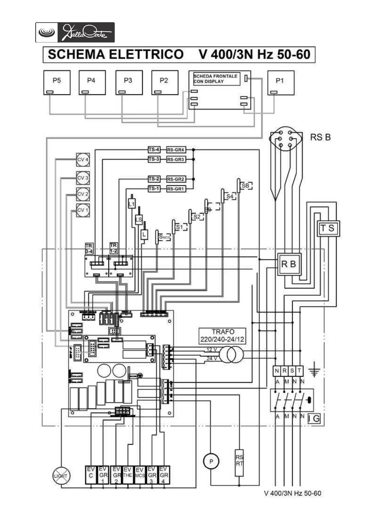
Dalla Corte EVO 2 - ELECTRICAL SCHEMATIC DIAGRAM (400 V); 400 V 3-Phase Wiring Diagram

Dalla Corte EVO 2
27 pages
Print Icon
To Next Page IconTo Next Page
To Next Page IconTo Next Page
To Previous Page IconTo Previous Page
To Previous Page IconTo Previous Page
Loading...
MANUALE INSTALLATORE RELEASE 00.1 PAG. 24

Related product manuals