EasyManua.ls Logo

DataCard CE870 - Page 24

DataCard CE870
130 pages
Print Icon
To Next Page IconTo Next Page
To Next Page IconTo Next Page
To Previous Page IconTo Previous Page
To Previous Page IconTo Previous Page
Loading...
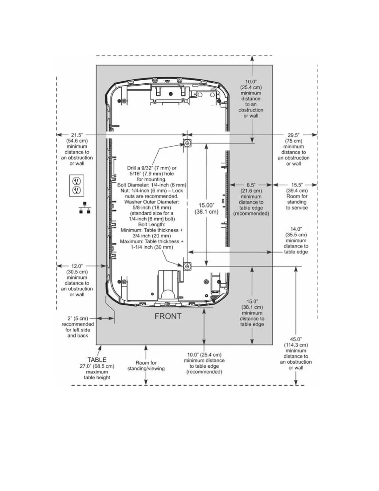
12 Installation

Table of Contents

Other manuals for DataCard CE870

Related product manuals