EasyManua.ls Logo

DeDietrich 24 - Schema Elettrico

DeDietrich 24
Print Icon
To Next Page IconTo Next Page
To Next Page IconTo Next Page
To Previous Page IconTo Previous Page
To Previous Page IconTo Previous Page
Loading...
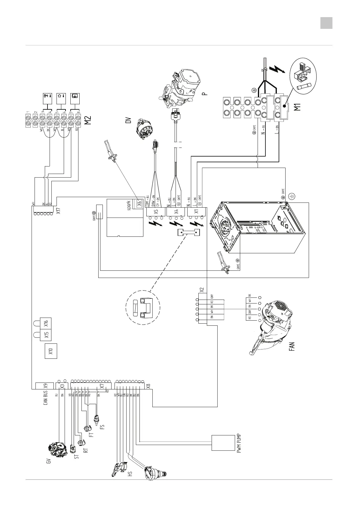
3.4 Schema elettrico
Fig.187 Schema collegamenti elettrici di caldaia per modello combinato riscaldamento+ACS
1
2
3 4 5
1
2
3
4
5
1
2
3
1
2
3
1
2
3
1
2
3
4
5
6
7
8
9
1
2
3
4
5
6
7
8
9
10
11
12
13
1
2
1
2
3
4
5
6
BO-7741469-4
TS
OS
Tdhw
Tout R-Bus
WPS
L - BN
N - BU
OT - RT
R-bus
On/Off
F2 (1,6A - 250V)
F1 (2A - 250V)
3 Caratteristiche Tecniche
it
7804841 - 02 - 20012022 INIDENS 293

Table of Contents

Related product manuals