EasyManua.ls Logo

DeDietrich 24 - Ηλεκτρικό Διάγραμμα

DeDietrich 24
Print Icon
To Next Page IconTo Next Page
To Next Page IconTo Next Page
To Previous Page IconTo Previous Page
To Previous Page IconTo Previous Page
Loading...
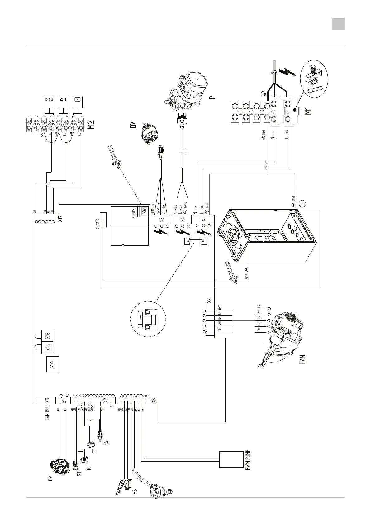
3.4 Ηλεκτρικό διάγραμμα
Εικ.49 Ηλεκτρικό διάγραμμα καλωδίωσης λέβητα για μοντέλο θέρμανσης+συνδυασμένης λειτουργίας ΖΝΟΧ
1
2
3 4 5
1
2
3
4
5
1
2
3
1
2
3
1
2
3
1
2
3
4
5
6
7
8
9
1
2
3
4
5
6
7
8
9
10
11
12
13
1
2
1
2
3
4
5
6
BO-7741469-4
TS
OS
Tdhw
Tout R-Bus
WPS
L - BN
N - BU
OT - RT
R-bus
On/Off
F2 (1,6A - 250V)
F1 (2A - 250V)
3 Τεχνικά χαρακτηριστικά
el
7804841 - 02 - 20012022 INIDENS 85

Table of Contents

Related product manuals