EasyManua.ls Logo

Delta Electronics ASD-A5523-B - Page 355

Delta Electronics ASD-A5523-B
383 pages
Print Icon
To Next Page IconTo Next Page
To Next Page IconTo Next Page
To Previous Page IconTo Previous Page
To Previous Page IconTo Previous Page
Loading...
Chapter 12 Application Examples|ASDA-A&A+ Series
12-38 Revision April 2009
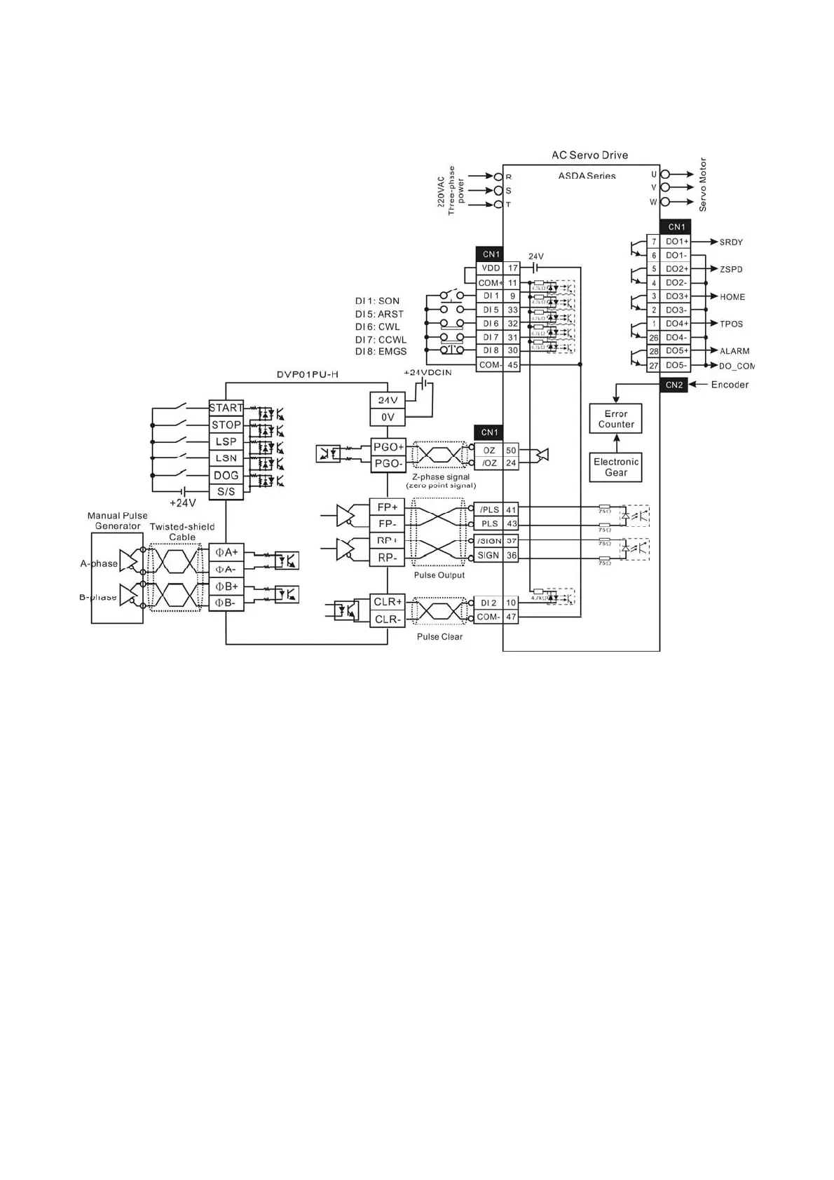
Connecting to Delta DVP-01PU
Call 1(800)985-6929 for Sales
deltaacdrives.com
sales@deltaacdrives.com
Call 1(800)985-6929 for Sales
deltaacdrives.com
sales@deltaacdrives.com

Table of Contents

Related product manuals