EasyManua.ls Logo

Delta Electronics ASD-A5523-B - Standard Connection Example; Position (Pt) Control Mode

Delta Electronics ASD-A5523-B
383 pages
Print Icon
To Next Page IconTo Next Page
To Next Page IconTo Next Page
To Previous Page IconTo Previous Page
To Previous Page IconTo Previous Page
Loading...
Chapter 3 Connections and Wiring|ASDA-A&A+ Series
Revision April 2009 3-39
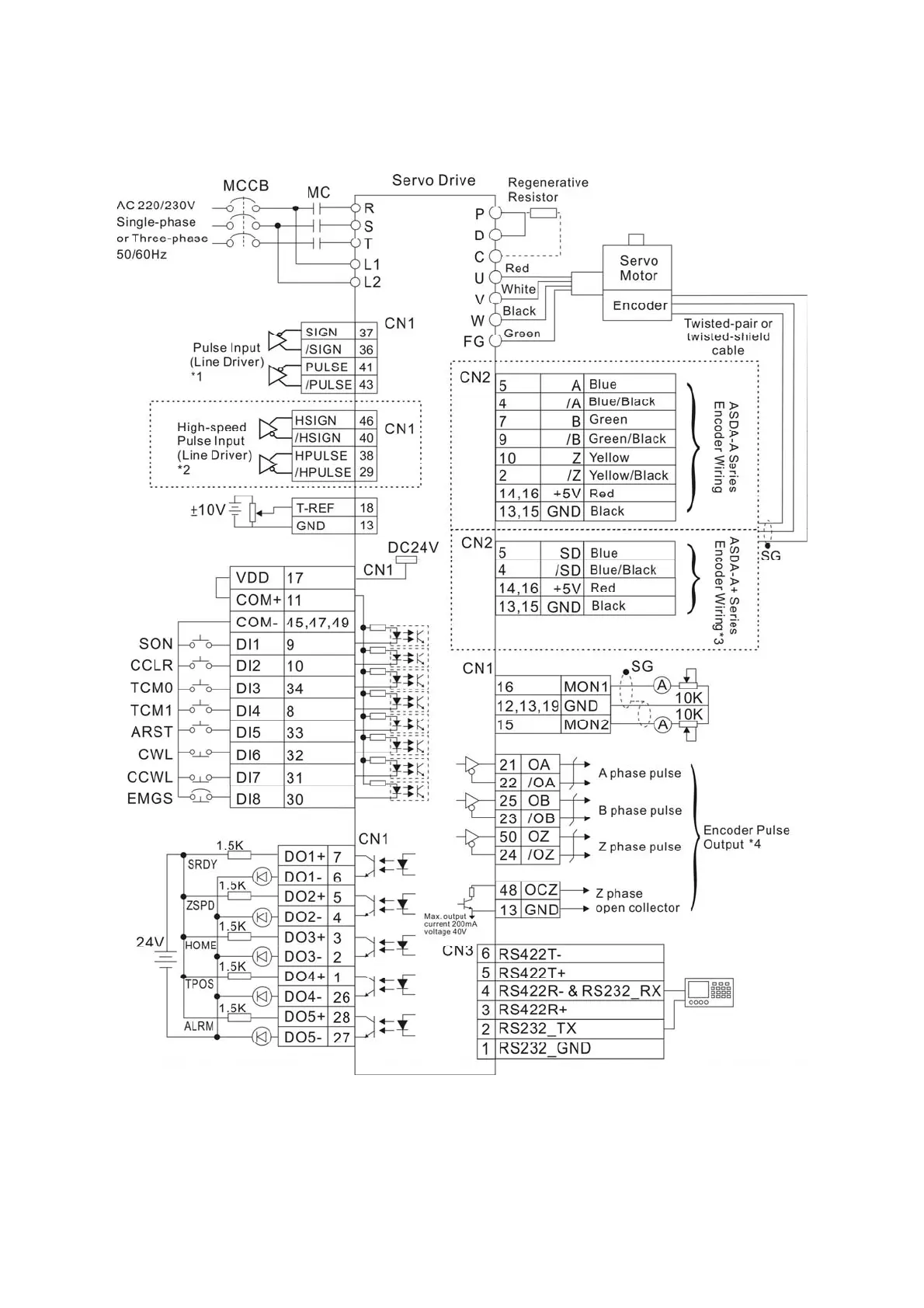
3.6 Standard Connection Example
3.6.1 Position (Pt) Control Mode
Note:
1 Please refer to C4 wiring diagram on page 3-28. If it is open-collector input, please refer to C3 wiring diagram
on page 3-27.
2. These terminals are for ASDA-A+ series only. In ASDA-A series, they are marked NC (No Connection) and
must be left unconnected.
3. CN2 encoder terminals for ASDA-A+ series only.
4. Please refer to parameter P1-46 in Chapter 7.
Call 1(800)985-6929 for Sales
deltaacdrives.com
sales@deltaacdrives.com
Call 1(800)985-6929 for Sales
deltaacdrives.com
sales@deltaacdrives.com

Table of Contents

Related product manuals