EasyManua.ls Logo

Delta Electronics ASD-A5523-B - Speed Control Mode

Delta Electronics ASD-A5523-B
383 pages
Print Icon
To Next Page IconTo Next Page
To Next Page IconTo Next Page
To Previous Page IconTo Previous Page
To Previous Page IconTo Previous Page
Loading...
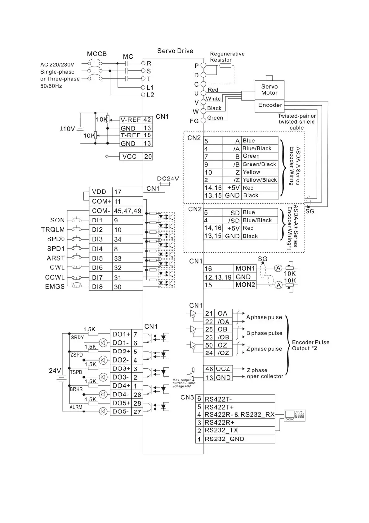
Chapter 3 Connections and Wiring|ASDA-A&A+ Series
Revision April 2009 3-41
3.6.3 Speed Control Mode
Note:
1 CN2 encoder terminals for ASDA-A+ series only.
2. Please refer to parameter P1-46 in Chapter 7.
Call 1(800)985-6929 for Sales
deltaacdrives.com
sales@deltaacdrives.com
Call 1(800)985-6929 for Sales
deltaacdrives.com
sales@deltaacdrives.com

Table of Contents

Related product manuals