EasyManua.ls Logo

Delta Electronics ASD-A5523-B - Page 49

Delta Electronics ASD-A5523-B
383 pages
Print Icon
To Next Page IconTo Next Page
To Next Page IconTo Next Page
To Previous Page IconTo Previous Page
To Previous Page IconTo Previous Page
Loading...
Chapter 3 Connections and Wiring|ASDA-A&A+ Series
3-16 Revision April 2009
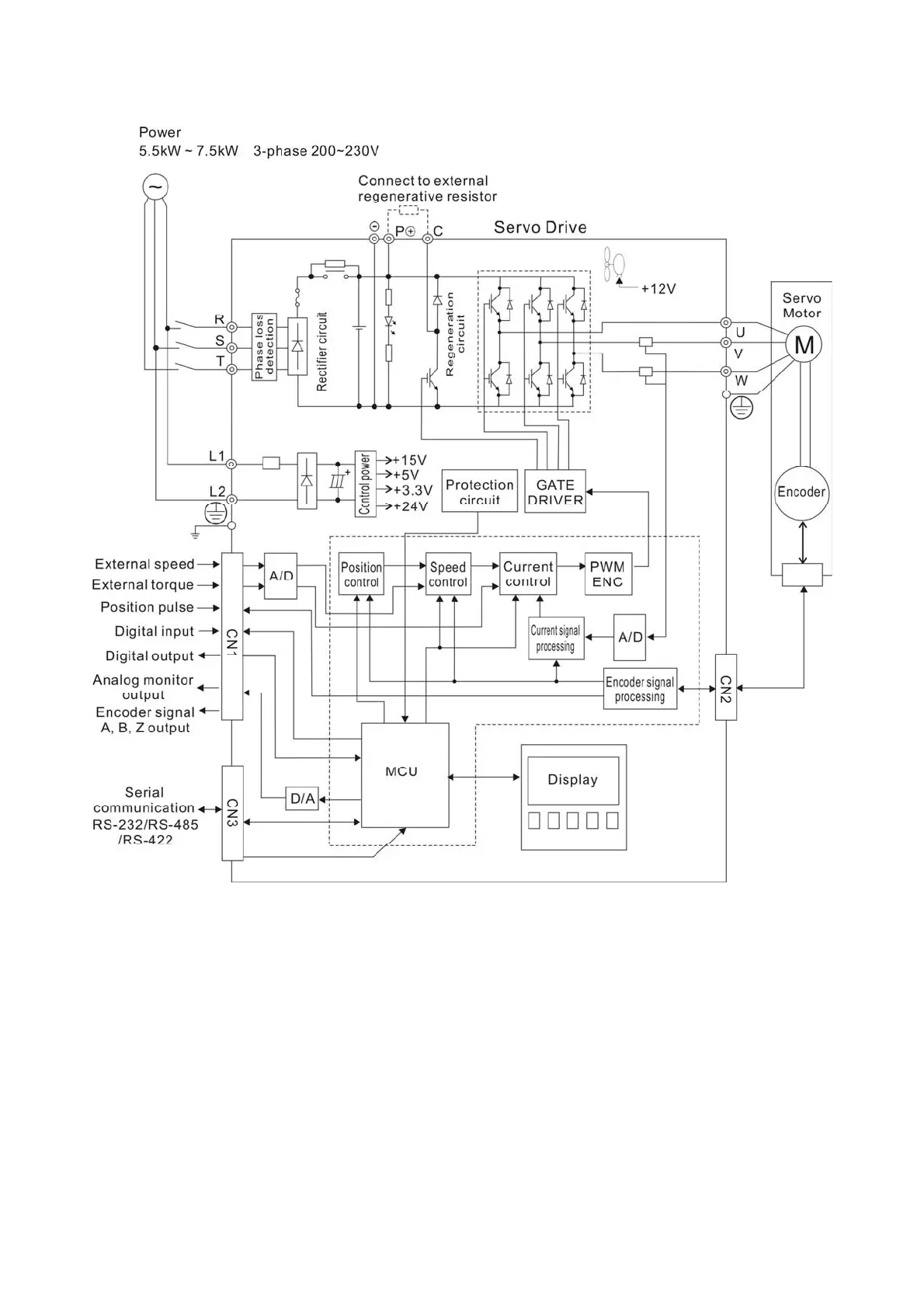
Figure 3.8 Basic Wiring Schematic of 5.5kW ~ 7.5kW models
Call 1(800)985-6929 for Sales
deltaacdrives.com
sales@deltaacdrives.com
Call 1(800)985-6929 for Sales
deltaacdrives.com
sales@deltaacdrives.com

Table of Contents

Related product manuals