EasyManua.ls Logo

Delta AH08EMC-5A - Page 30

Delta AH08EMC-5A
288 pages
To Next Page IconTo Next Page
To Next Page IconTo Next Page
To Previous Page IconTo Previous Page
To Previous Page IconTo Previous Page
Loading...
AH Motion Controller Operation Manual
2-10
_2
UP
ZP
VS+
VS-
VS+
VS-
UP
ZP
UP
ZP
24VDC
100~240VAC
50/60Hz
2A
24VDC
2A
PS05 CPU
DI/DO AI/AO
AI/AO
PS05
Network Motion
L
N
L
N
MC
duleo
duleo
duleo duleo
duleo
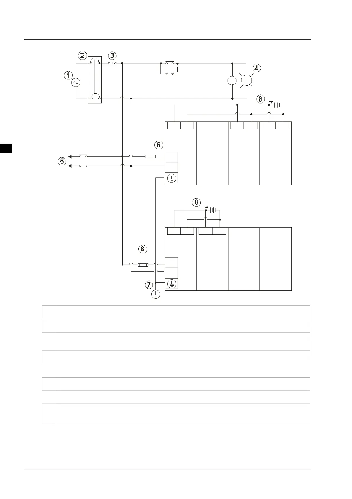
Alternating-current power supply: 100~240 VAC, and 50/60 Hz
Circuit breaker
Emergency stop: The emergency stop button can be used to cut off the power when an emergency
occurs.
Power indicator
Load through which the alternating current passes
2 A fuse
The ground impedance is less than 100 Ω.
Direct-current power supply: 24 VDC

Table of Contents

Related product manuals