EasyManua.ls Logo

Delta VFD007FP4EA-41 - Page 366

Delta VFD007FP4EA-41
404 pages
Print Icon
To Next Page IconTo Next Page
To Next Page IconTo Next Page
To Previous Page IconTo Previous Page
To Previous Page IconTo Previous Page
Loading...
Chapter 12 Description of Parameter Settings|CFP2000 Series
12.1-12-2
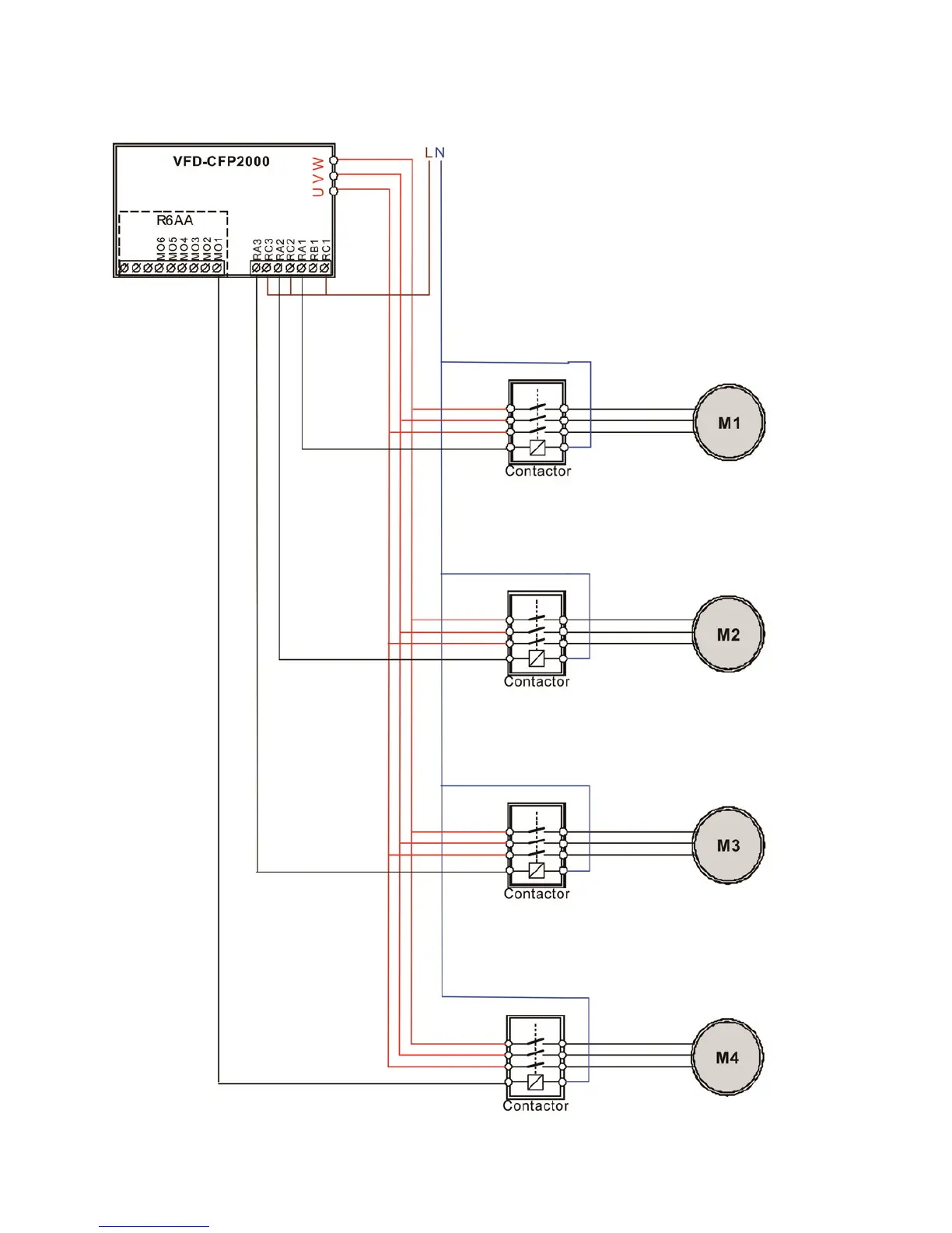
Wiring: Fixed Time Circulation (by time) Control can control up to 8 motors. The diagram 12-2 is an
example of controlling 4 motors at the same time.
Diagram 12-2: Wiring

Table of Contents