EasyManua.ls Logo

Denon AVR-2310 - Troubleshooting; [Video]

Denon AVR-2310
169 pages
Print Icon
To Next Page IconTo Next Page
To Next Page IconTo Next Page
To Previous Page IconTo Previous Page
To Previous Page IconTo Previous Page
Loading...
71
AVR-2310CI/2310/890, AVC-2310
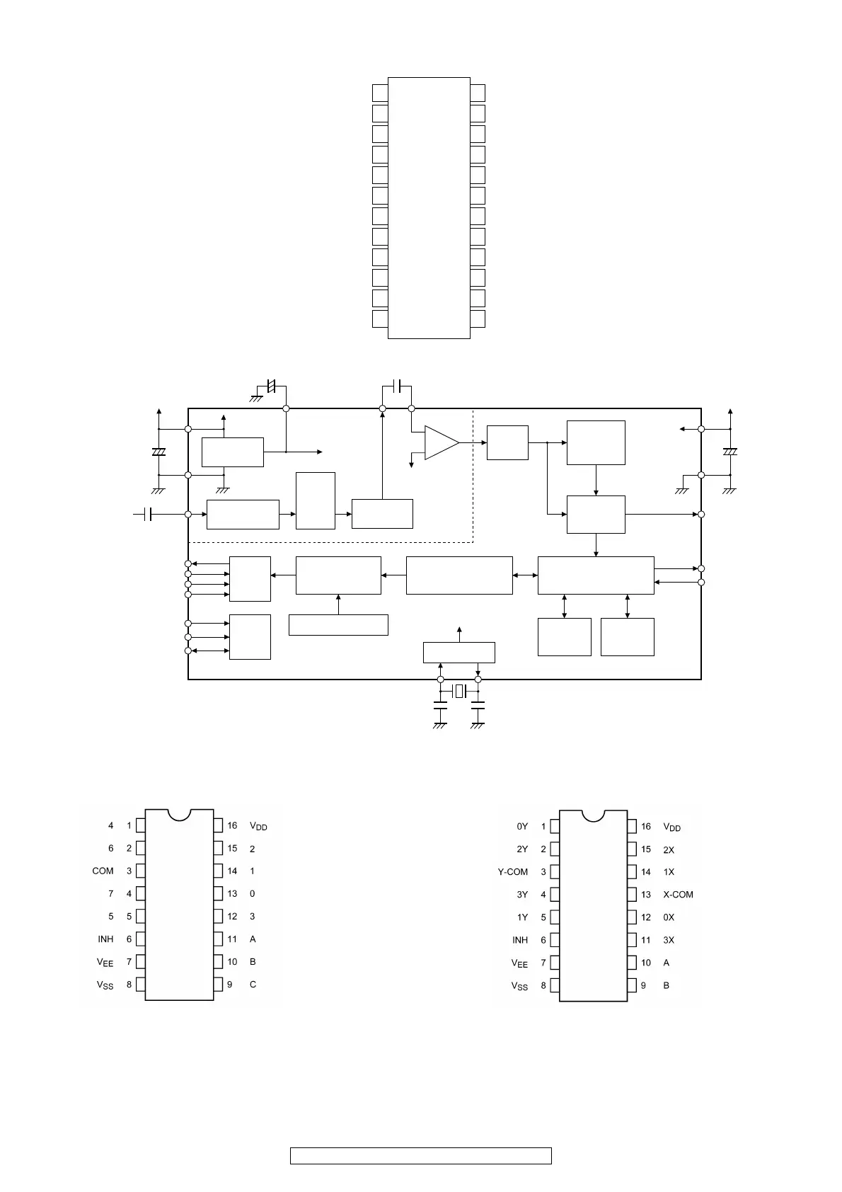
LC72722PM-TLM-E (IC801 : CPU B’D : E2 model)
TC4051BFT(IC2002-2004 : VIDEO B’D) TC4052BFT (IC2014, 2015 : VIDEO B’D)
Block Diagram
124V
REF
SYR
223MPXIN CE
322Vdda DI
421Vssa CL
520FLOUT DO
619CIN
LC72722
LC72722M
LC72722PM
Top view
RDS-ID
718T1 SYNC
817T2 T7(CORREC/ARI-ID/TA/BEO)
916T3(RDCL) T6(ERROR/57K/TP/BE1)
10 15T4(RDDA) Vssd
11 14T5(RSFT) Vddd
12 13X
OUT
X
IN
REFERENCE
VOLTAGE
ANTIALIASING
FILTER
SMOOTHING
FILTER
57 kHz
BPF
(SCF)
TEST
+
Ð
PLL
(57 kHz)
V
REF
CLOCK
RECOVERY
(1187.5 Hz)
DATA
DECODER
SYNC
DETECT-2
SYNC
DETECT-1
OSC/DIVIDER
MEMORY CONTROL
CLK(4.332 MHz)
+5V +5V
Vdda
Vssa
MPXIN
T2
T3 to T7
T1
CCB
DI
CE
CL
RAM
(24 BLOCK DATA)
ERROR CORRECTION
(SOFT DECISION)
SYNC/EC CONTROLLER
DO
X
IN
X
OUT
SYR
SYNC
RDS-ID
Vssd
Vddd
CINFLOUT
V
REF

Table of Contents

Other manuals for Denon AVR-2310

Related product manuals