EasyManua.ls Logo

Dexter Laundry A Series - T-650 Machine Side by Side Mounting Detail

Dexter Laundry A Series
92 pages
Print Icon
To Next Page IconTo Next Page
To Next Page IconTo Next Page
To Previous Page IconTo Previous Page
To Previous Page IconTo Previous Page
Loading...
8514-296-001 REV K page 30
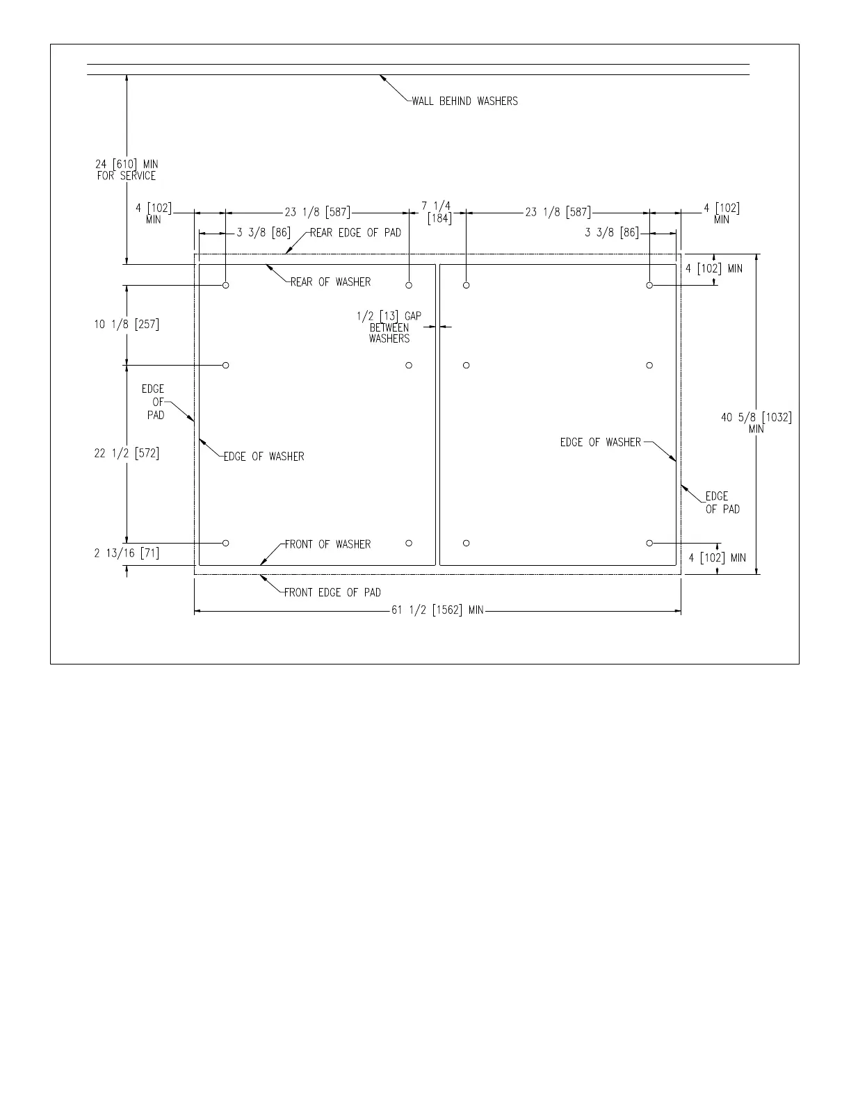
SIDE BY SIDE MOUNTING DIMENSIONS
Figure 1-4
2.7.17
T-650 Machine Side By Side Mounting Detail

Table of Contents

Other manuals for Dexter Laundry A Series

Related product manuals