EasyManua.ls Logo

Dexter Laundry A Series - T-750 Machine Side by Side Mounting Detail

Dexter Laundry A Series
92 pages
Print Icon
To Next Page IconTo Next Page
To Next Page IconTo Next Page
To Previous Page IconTo Previous Page
To Previous Page IconTo Previous Page
Loading...
8514-296-001 REV K page 33
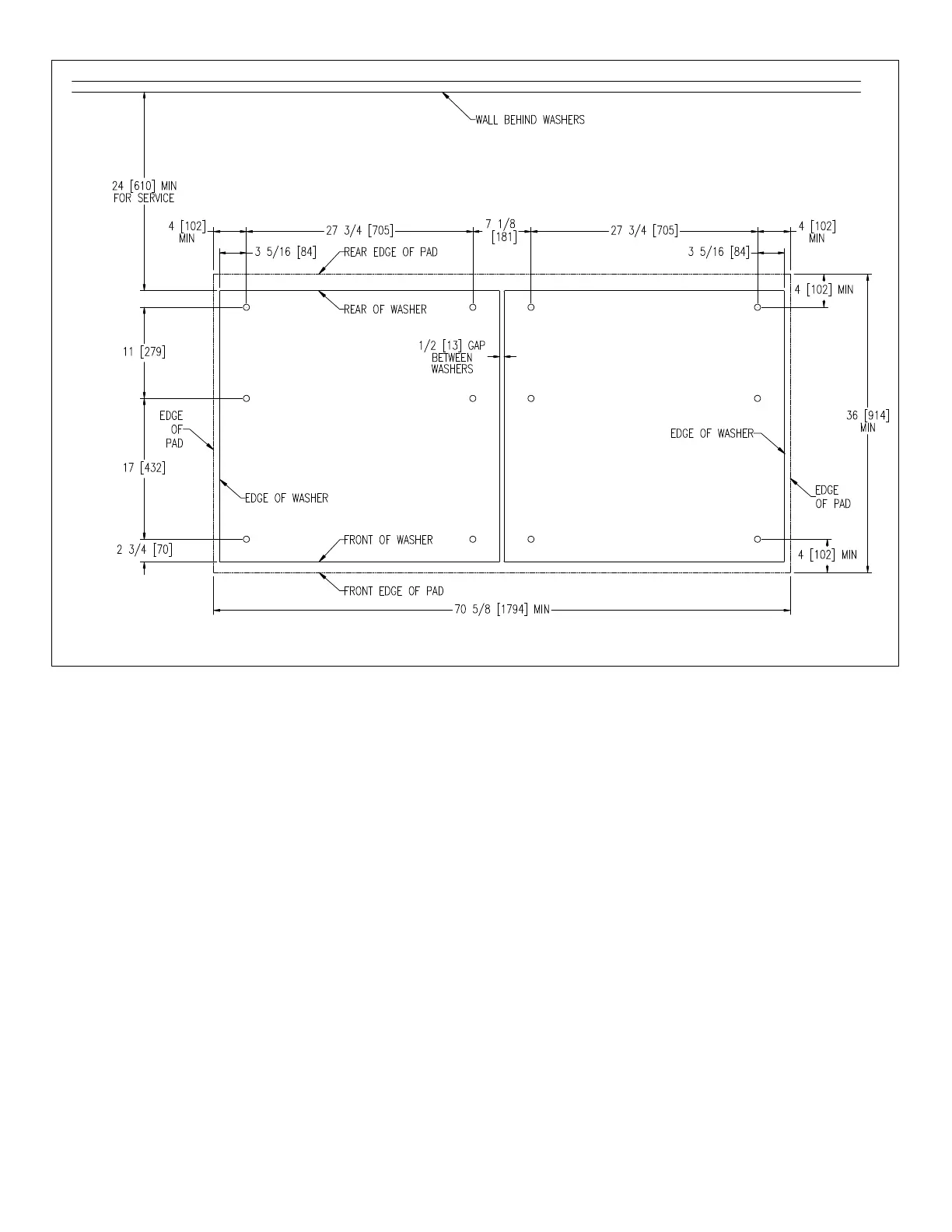
SIDE BY SIDE MOUNTING DIMENSIONS
Figure 1-4
2.7.20
T-750 Machine Side By Side Mounting Detail

Table of Contents

Other manuals for Dexter Laundry A Series

Related product manuals