EasyManua.ls Logo

Dimplex XLE Series - Page 72

Dimplex XLE Series
182 pages
Print Icon
To Next Page IconTo Next Page
To Next Page IconTo Next Page
To Previous Page IconTo Previous Page
To Previous Page IconTo Previous Page
Loading...
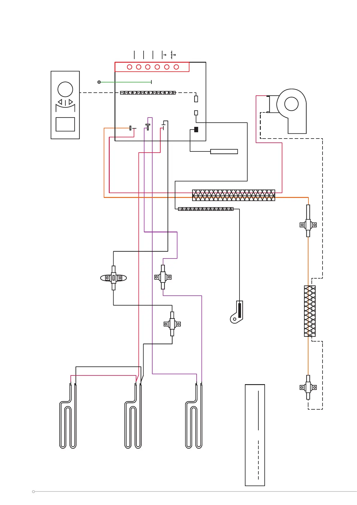
Elektrisch schema - XLE Serie A
GEEFT WITTE
DRAAD AAN
GEEFT ZWARTE
DRAAD AAN
LAGER
LINKER STAT
(130° BLAUW)
LAGER
RECHTER STAT
(130° BLAUW)
RUIMTEVOELER
AANGESLOTEN
OP PCB
TEMPERATUURB-
GRENZER BOOST
STAT (120° GROEN)
HANDMATIGE CUTOUT
(140°)
GEBRUIKERSINTERFACE
AARDING
AARDING
AARDING
NULLEIDER (SPITS)
FASE (SPITS)
FASE (BUITEN SPITS)
NULLEIDER (BUITEN SPITS)
FAN
PCB
(print-
plaat)
TEMPERATUURBEGRENZER
(125° ZWART)
KERNVOELER
GEMONTEERD AAN BINNENKANT
(inclusief PLASTIC BEHUIZING)
OPSLAGELEMENTEN
72

Other manuals for Dimplex XLE Series

Related product manuals