EasyManua.ls Logo

Dobot CR 10 - Digital Input

Dobot CR 10
51 pages
Print Icon
To Next Page IconTo Next Page
To Next Page IconTo Next Page
To Previous Page IconTo Previous Page
To Previous Page IconTo Previous Page
Loading...
Dobot CR10 Hardware User Guide
Issue V1.3 (2021-07-07) User Guide Copyright © Yuejiang Technology Co., Ltd
35
No.
Description
For the safe use and operation of robots
9
Heavy-duty connector interface
For connecting to robot
10
Power switch of robot
For controlling the robot power on and off
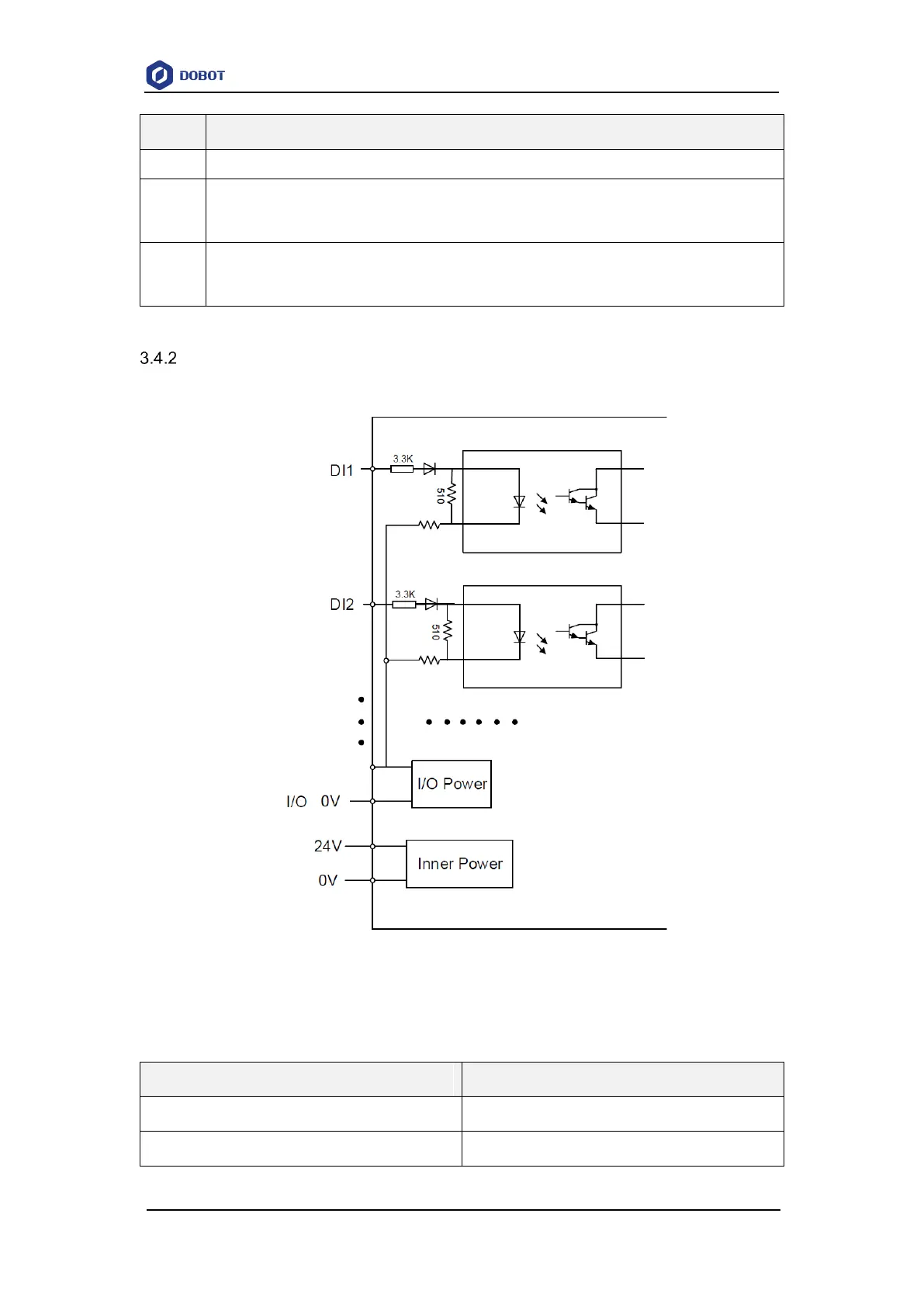
Digital Input
Figure 3.8 shows the simple digital input circuit and Table 3.8 lists the technical specifications.
Figure 3.8 Simple digital input circuit
Table 3.8 Technical specifications
Item
Specification
Input channel
16 channels
Connection method
Crimping terminal

Related product manuals