EasyManua.ls Logo

Dobot MG400 - Mechanical Specifications; Dimensions; Base Installation Dimensions

Dobot MG400
44 pages
Print Icon
To Next Page IconTo Next Page
To Next Page IconTo Next Page
To Previous Page IconTo Previous Page
To Previous Page IconTo Previous Page
Loading...
Dobot MG400 User Guide
Issue V1.5 (2023-03-20) User Guide Copyright © Yuejiang Technology Co., Ltd
13
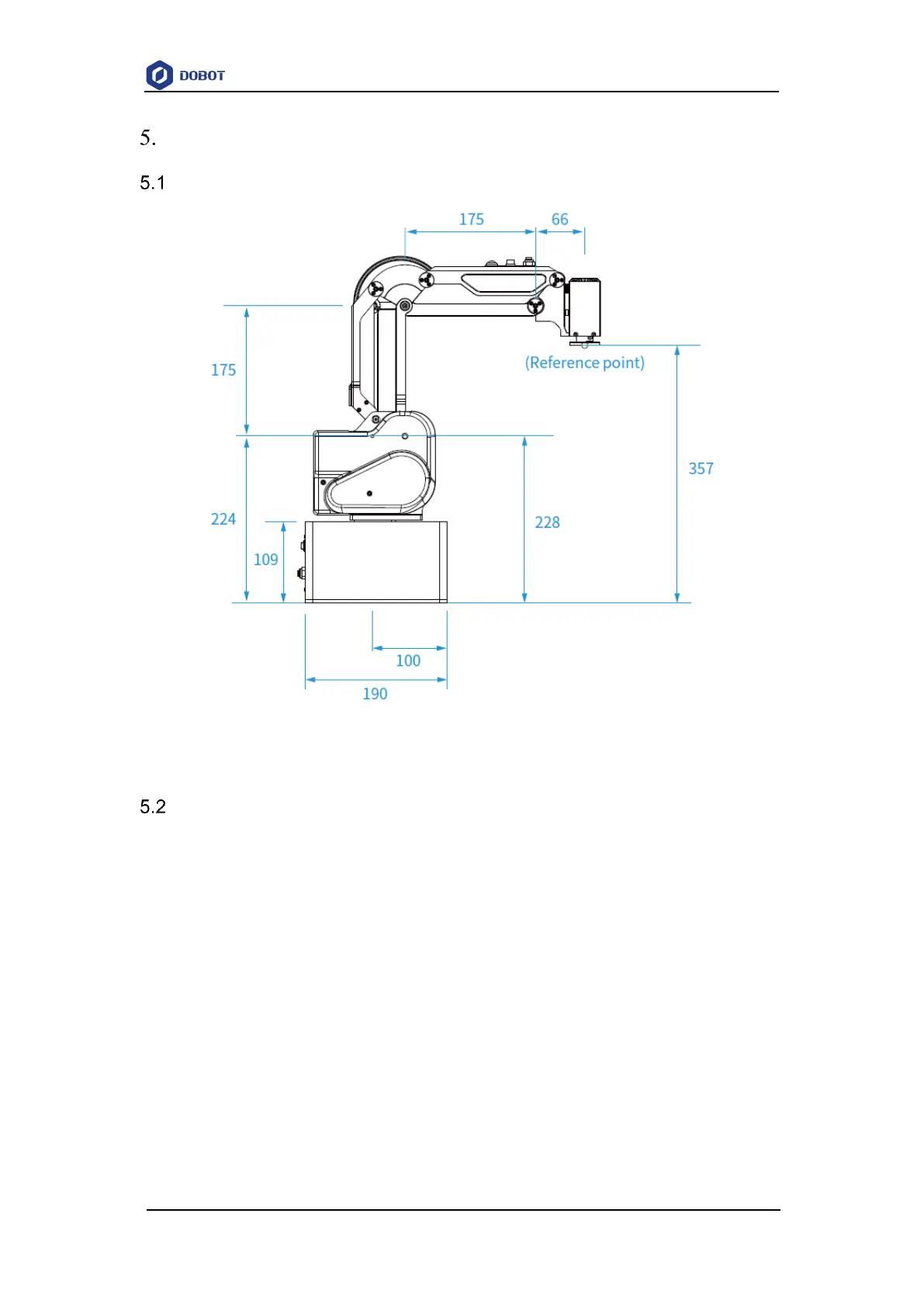
Mechanical Specifications
Dimensions
Figure 5.1 MG400 Dimensions
Base installation dimensions

Other manuals for Dobot MG400

Related product manuals