EasyManua.ls Logo

Domino C6000 plus

Default Icon
170 pages
To Next Page IconTo Next Page
To Next Page IconTo Next Page
To Previous Page IconTo Previous Page
To Previous Page IconTo Previous Page
Loading...
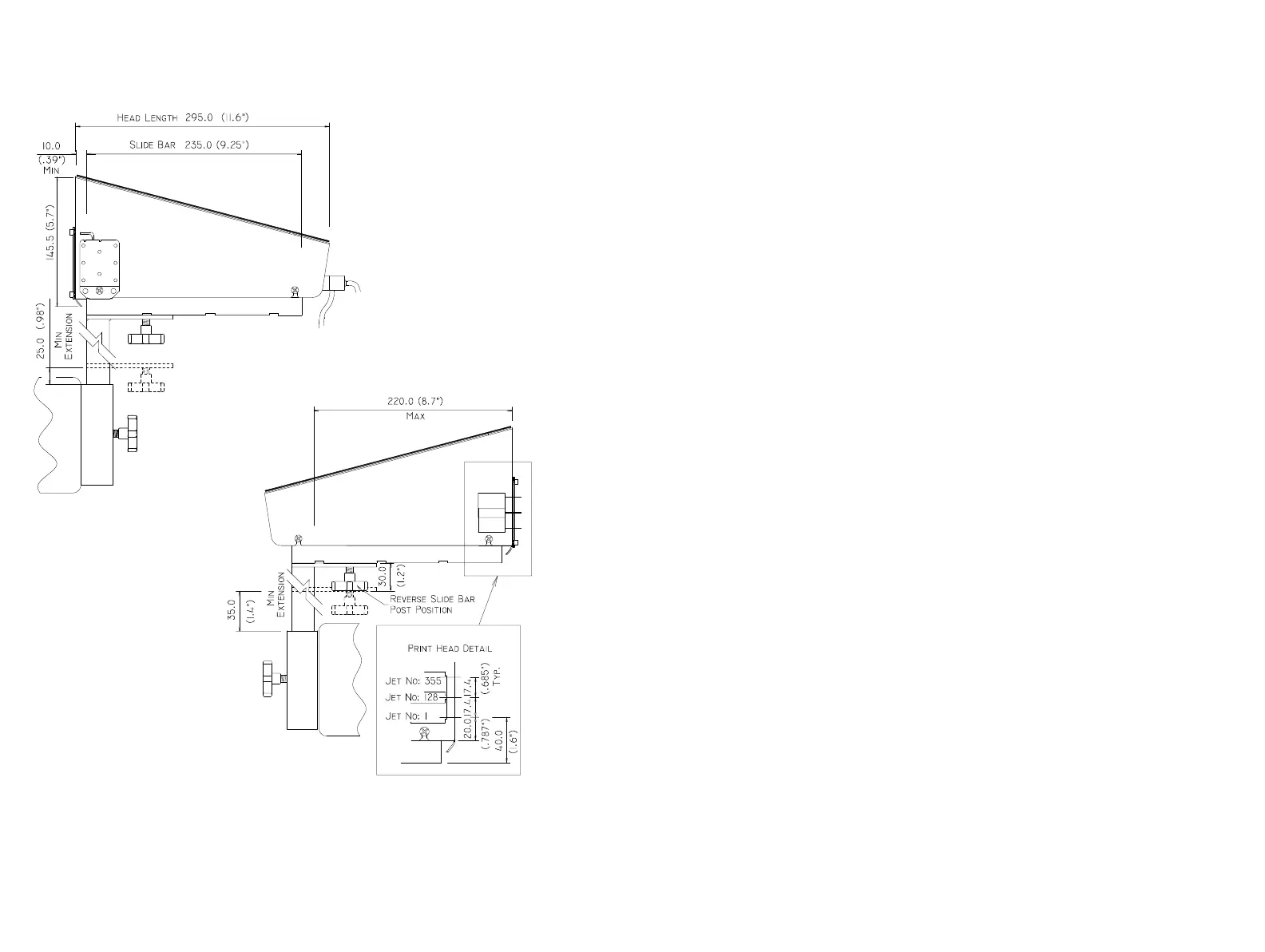
DIMENSION DRAWINGS
152 77144 Issue 8 August 2009
C3000

Table of Contents

Related product manuals