EasyManua.ls Logo

Doosan 7/71 - Piping and Instrumentation System

Doosan 7/71
70 pages
Print Icon
To Next Page IconTo Next Page
To Next Page IconTo Next Page
To Previous Page IconTo Previous Page
To Previous Page IconTo Previous Page
Loading...
34
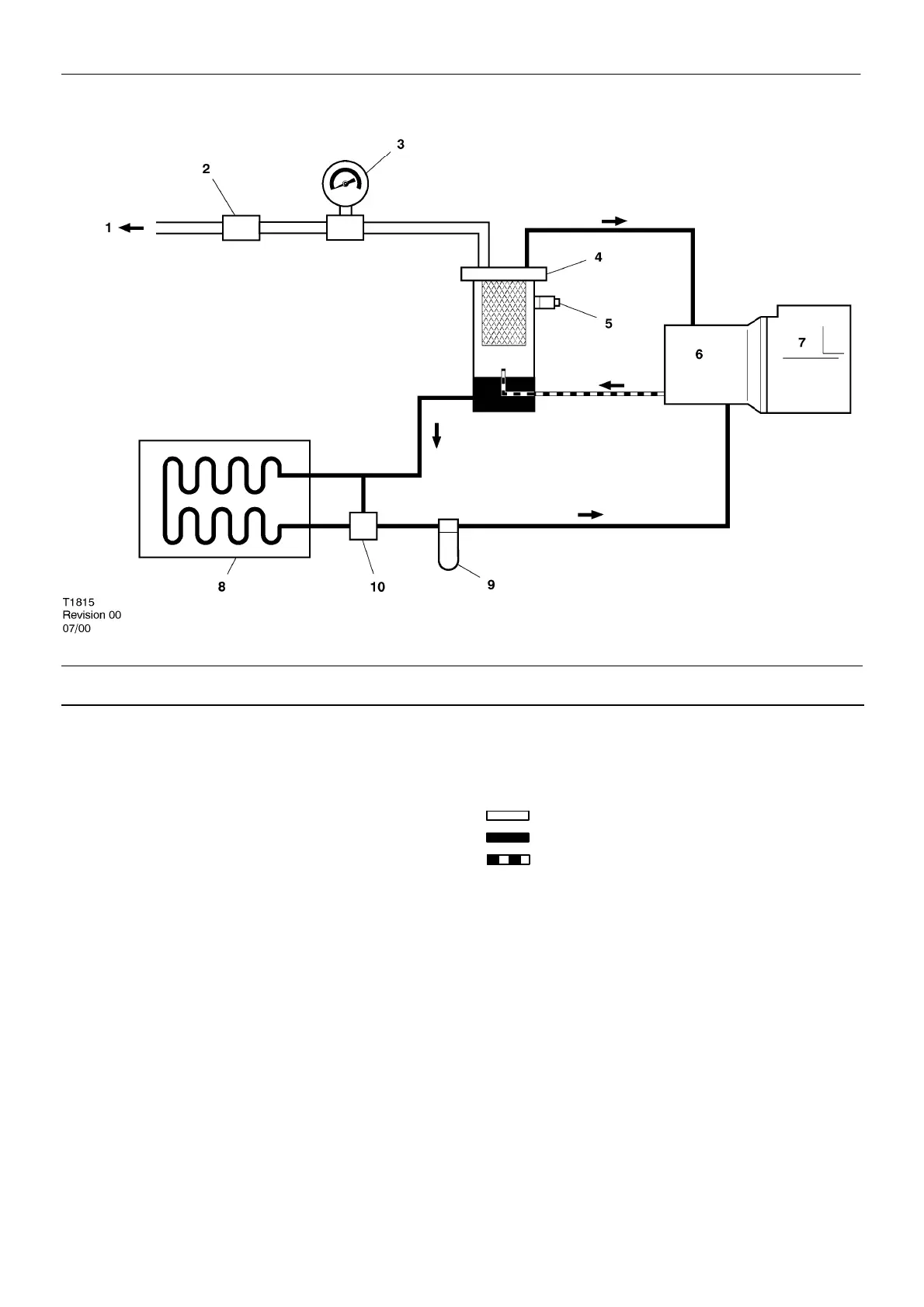
PIPING AND INSTRUMENTATION SYSTEM
7/71, 12/56
KEY
1 Air discharge
2 Sonic orifice (restricts flow)
3 Pressure gauge
4 Separator tank
5 Safety valve
6 Compressor
7 Engine
8 Oil cooler
9 Oil filter
10 Thermostatic valve (Where fitted)
Air
Oil
Air/oil

Other manuals for Doosan 7/71

Related product manuals