EasyManua.ls Logo

Doosan 7/71 - Page 35

Doosan 7/71
70 pages
Print Icon
To Next Page IconTo Next Page
To Next Page IconTo Next Page
To Previous Page IconTo Previous Page
To Previous Page IconTo Previous Page
Loading...
ELECTRICAL SYSTEM
33
7/71, 12/56
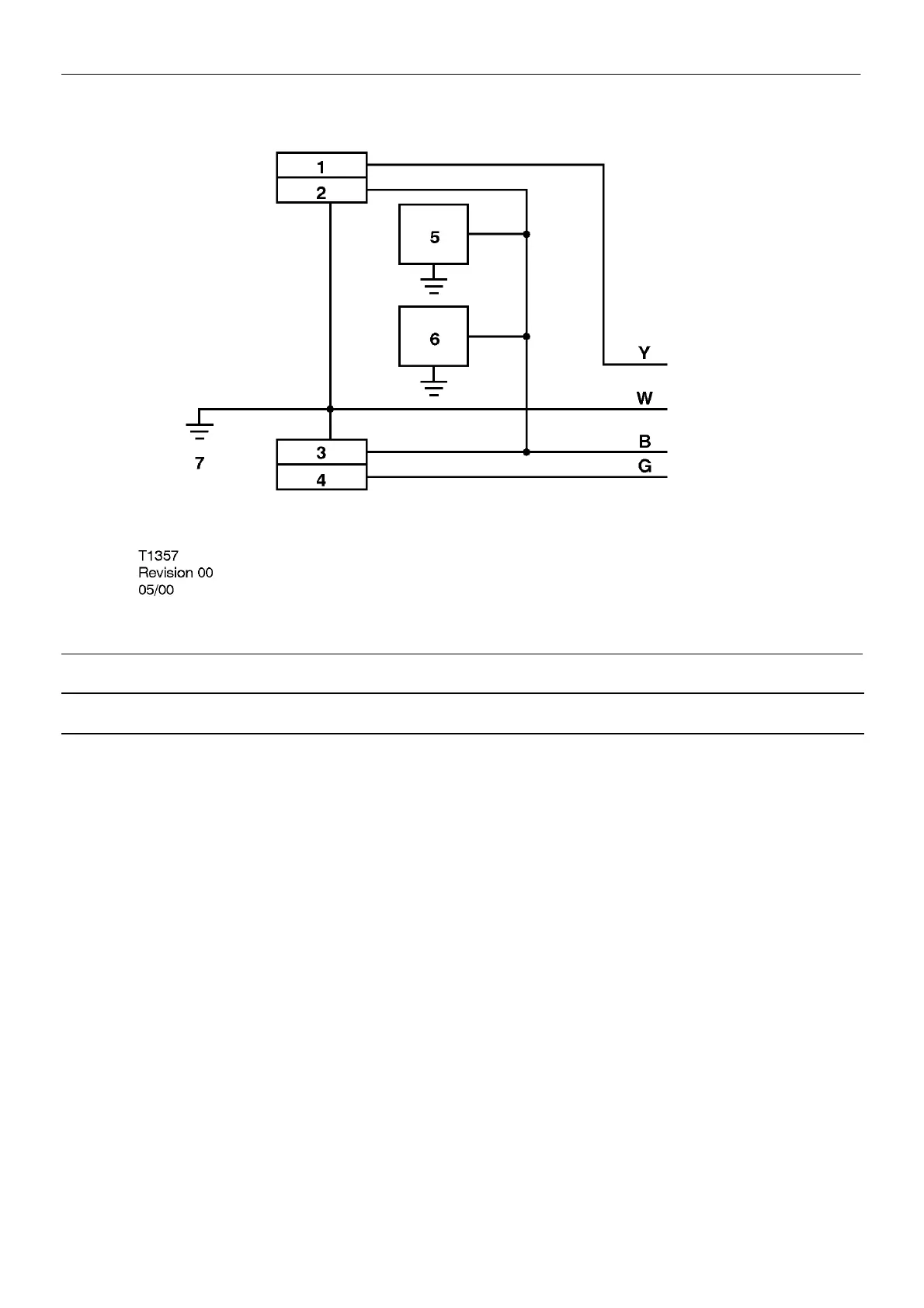
SCHEMATIC DIAGRAM FOR AMERICAN SAE LIGHTING SYSTEM
KEY
1 Stop / turn (left hand)
2 Tail (left hand)
3 Stop / turn (right hand)
4 Tail (right hand)
5 Front side marker (left hand)
6 Front side marker (right hand)
7 Ground / earth
B Black
G Green
K Pink
N Brown
O Orange
P Purple
R Red
S Grey
U Blue
W White
Y Yellow

Other manuals for Doosan 7/71

Related product manuals