EasyManua.ls Logo

Doosan 7/71 - Page 44

Doosan 7/71
70 pages
Print Icon
To Next Page IconTo Next Page
To Next Page IconTo Next Page
To Previous Page IconTo Previous Page
To Previous Page IconTo Previous Page
Loading...
OPTIONS
42
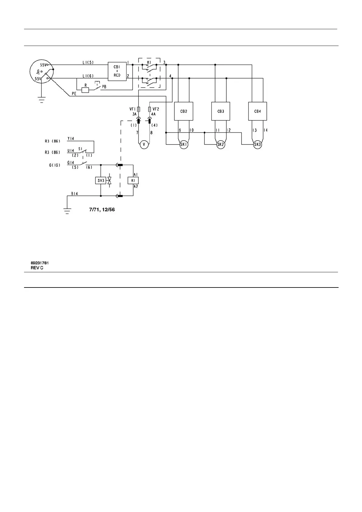
7/71, 12/56
A.C. Electrical Power Schematic Diagram. 115V 1 phase.
KEY
CB1 Circuit breaker
63A
CB2 Circuit breaker
32A
CB3 Circuit breaker
16A
CB4 Circuit breaker
16A
G Alternator
K1 Contactor
PB Pushbutton
R Resistor
S1 Switch, start
SK1 Socket outlet 32A
SK2 Socket outlet 16A
SK3 Socket outlet 16A
SV3 Valve, solenoid
V Voltmeter
VF1 Fuse
Voltmeter
VF2 Fuse
Voltmeter

Other manuals for Doosan 7/71

Related product manuals