EasyManua.ls Logo

Dräger PEX 3000 - Menu de Calibrage

Dräger PEX 3000
100 pages
Go to English
Print Icon
To Next Page IconTo Next Page
To Next Page IconTo Next Page
To Previous Page IconTo Previous Page
To Previous Page IconTo Previous Page
Loading...
Fonctionnement_ IU
_ Dräger PEX 3000 
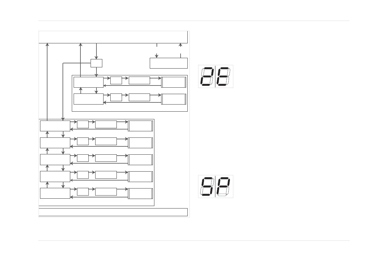
4.3.2 Menu de calibrage
Pour passer au menu de calibrage, presser la touche pendant une durée
comprise entre une et trois secondes. Le point en bas à droite clignote à
l'écran pour indiquer le calibrage en cours.
ZE – Calibrage du point zéro
Naviguer dans l'affichage à l'aide des touches ou jusqu'à parvenir à
l'affichage ZE (« ZEro ») et confirmer avec les touches (+). Le signal de
sortie passe à 3,4 mA.
La concentration en gaz en cours de mesure s'affiche (les valeurs
négatives sont affichées jusqu'à « –9 » ou « -,9 »).
Appliquer le gaz neutre au capteur et patienter jusqu’à ce que l'affichage se
stabilise (maximum 3 minutes).
Appuyer sur les touches (+) afin d'enregistrer la valeur affichée comme
nouveau point zéro.
Réappuyer sur les touches (+) pour quitter la fonction. La mention ZE
réapparaît.
Actionner la touche pour ensuite ajuster la sensibilité ou
actionner la touche pour repasser au mode de mesure.
SP – Ajustement de la sensibilité
41490
Mode mesure
Achage de la valeur mesurée 0 à 99 ou 0 à 9,9
Sortie courant 4 à 20 mA
Si aucune touche n’est actionnée pendant plus de 4 minutes dans un état quelconque, le menu est alors fermé automatiquement
et sans enregistrement et c’est la valeur mesurée courant qui s’ache de nouveau.
SL
Test 4-20 mA
Défaut
Achage E0 à E8
Sortie courant 1 mA
Défaut
éliminé
Occurrence
d’un défaut
long
(>3 s)
court (>1 s et <3 s)
CL
Calibrage 4-20 mA
CU
Réglage du courant
du capteur
dP
Réglage du point
décimal
So
Version du logiciel
Touches
+
Touches
+
Touches
+
Touches
+
Touches
+
Sortie courant
4.0 mA
Sortie courant
4.0 mA
Sortie courant
3.4 mA
Sortie courant
3.4 mA
Sortie courant
3.4 mA
Régler la sortie
courant à X mA
Calibrage de la
sortie courant
Réglage du
courant du capteur
Achage du
point décimal
Achage de la
version du logiciel
Menu d’entretien
ZE
Calibrage du
point zéro
SP
Calibrage de
la sensibilité
Touches
+
Touche
M
Touches
+
Sortie courant
3.4 mA
Sortie courant
3.4 mA
Réglage
du point zéro
Réglage de
la sensibilité
Menu de calibrage
4149541497

Table of Contents

Other manuals for Dräger PEX 3000

Related product manuals