EasyManua.ls Logo

Dräger PEX 3000 - Menú de Calibración

Dräger PEX 3000
100 pages
Go to English
Print Icon
To Next Page IconTo Next Page
To Next Page IconTo Next Page
To Previous Page IconTo Previous Page
To Previous Page IconTo Previous Page
Loading...
Funcionamiento_ HV
_ Dräger PEX 3000 
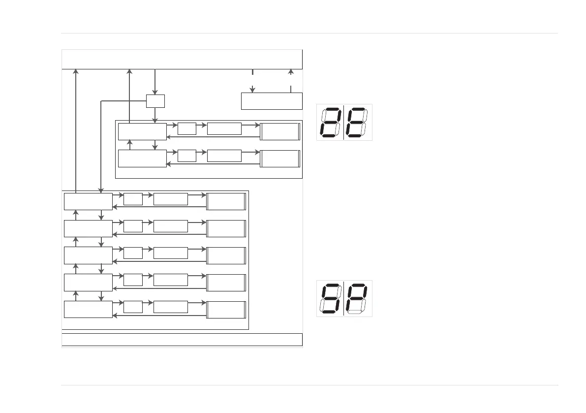
4.3.2 Menú de calibración
Para acceder al menú de calibración, pulsar la tecla durante más de un
segundo y menos de tres segundos. En la pantalla parpadea el punto
situado en la parte inferior derecha para mostrar el estado de calibración.
ZE – Ajuste del punto cero
Desplazarse con las teclas o hasta que en la pantalla aparezca ZE
("ZEro") y confirmar con las teclas (+). La señal de salida cambia a 3,4
mA.
En el indicador, aparece la concentración de gas medida actualmente
(los valores negativos se muestras hasta "-9" o "-.9").
Aplicar gas de ajuste de cero al sensor y esperar hasta que la pantalla se
haya estabilizado (máximo 3 minutos).
Pulsar las teclas (+) para guardar el valor mostrado como nuevo punto
cero.
Pulsar las teclas (+) nuevamente para finalizar la función. En la pantalla
aparece de nuevo ZE.
Presionar la tecla para ajustar la sensibilidad o
pulsar la tecla para cambiar de nuevo al modo de medición.
SP – Ajuste de la sensibilidad
41490
Modo de medición
Indicación del valor medido de 0 a 99 resp. 0 a 9,9
Salida de corriente de 4 a 20 mA
Si no se pulsa ninguna tecla durante 4 minutos en cualquiera de los estados, se abandona automáticamente el menú
sin realizar un almacenamiento y se indica de nuevo el valor medido actual.
SL
Test 4-20 mA
Fallo
Indicación E0 a E8
Salida de corriente 1 mA
Fallo
eliminado
Aparición
de un fallo
Mayor
(>3 s)
corto (>1 s y <3 s)
CL
Calibración 4-20 mA
CU
Ajuste corriente
de sensor
dP
Ajuste punto decimal
So
Versión de software
Teclas
+
Teclas
+
Teclas
+
Teclas
+
Teclas
+
Salida de corriente
4.0 mA
Salida de corriente
4.0 mA
Salida de corriente
3.4 mA
Salida de corriente
3.4 mA
Salida de corriente
3.4 mA
Poner a X mA la
salida de corriente
Calibración salida
de corriente
Ajuste de la corriente
de sensor
Indicación del
punto decimal
Indicación de la
versión de software
Menú de mantenimiento
ZE
Calibración
punto cero
SP
Calibración
sensibilidad
Teclas
+
Tecla
M
Teclas
+
Salida de corriente
3.4 mA
Salida de corriente
3.4 mA
Ajuste del
punto cero
Ajuste de la
sensibilidad
Menú de calibración
4149541497

Table of Contents

Other manuals for Dräger PEX 3000

Related product manuals