EasyManua.ls Logo

DRESSTA TD-25M EXTRA - Service;Special Tools

Default Icon
595 pages
Print Icon
To Next Page IconTo Next Page
To Next Page IconTo Next Page
To Previous Page IconTo Previous Page
To Previous Page IconTo Previous Page
Loading...
HYDRAULIC TORQUE CONVERTER SECTION 7B
Page 1
DRESSTA TD-25M EXTRA
SERVICE /SPECIAL TOOLS
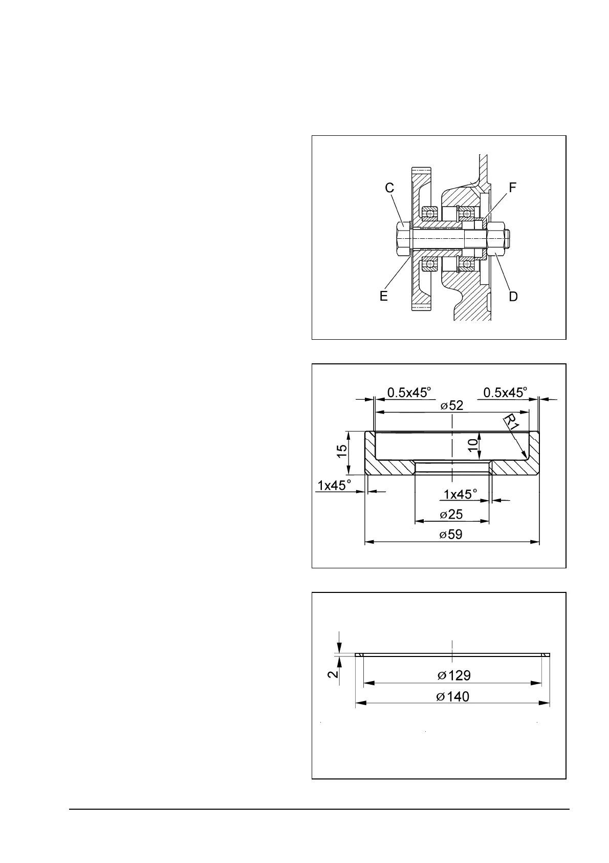
1. SERVICE /SPECIAL TOOLS
TOOL FOR DRIVEN GEAR MOUNTING
C – Bolt M24 x 130 – 8.8-B-Fe/Zn5
601-02-2629-6-02
D – Nut M24-5-B-Fe/Zn5
603-01-2262-0-02
E – Round Washer A-25.8
612-48-1170-0-02
F – Special Washer (per Drawing)
SPECIAL WASHER (F)
TOOL FOR HOUSING COVER BEARING
SEATING (WASHER G)

Table of Contents