EasyManua.ls Logo

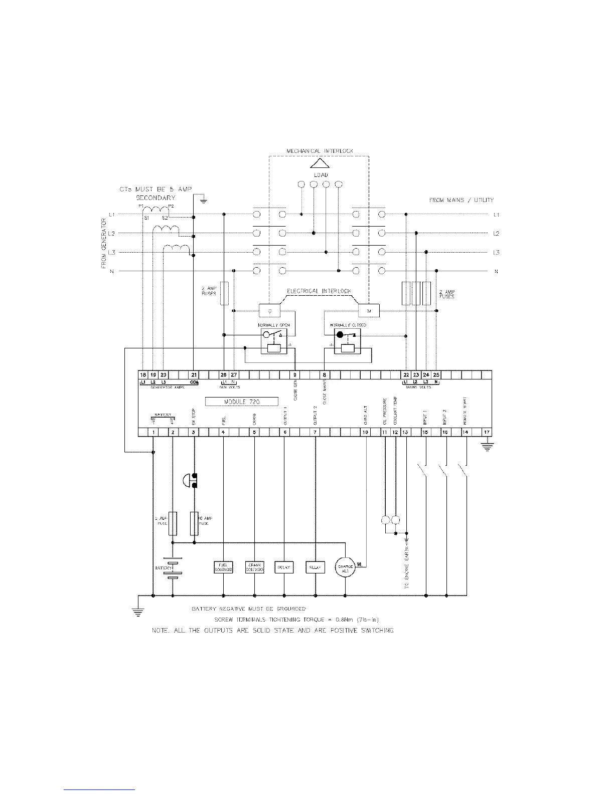
DSE 720 - Typical Wiring Diagram

DSE 720
25 pages
Print Icon
To Next Page IconTo Next Page
To Next Page IconTo Next Page
To Previous Page IconTo Previous Page
To Previous Page IconTo Previous Page
Loading...
057-001 720 Operating Instructions Issue 3.1 20/12/2005 AM - 23 -
10 TYPICAL WIRING DIAGRAM

Related product manuals