EasyManua.ls Logo

Eaton 9155 - Page 28

Eaton 9155
92 pages
Print Icon
To Next Page IconTo Next Page
To Next Page IconTo Next Page
To Previous Page IconTo Previous Page
To Previous Page IconTo Previous Page
Loading...
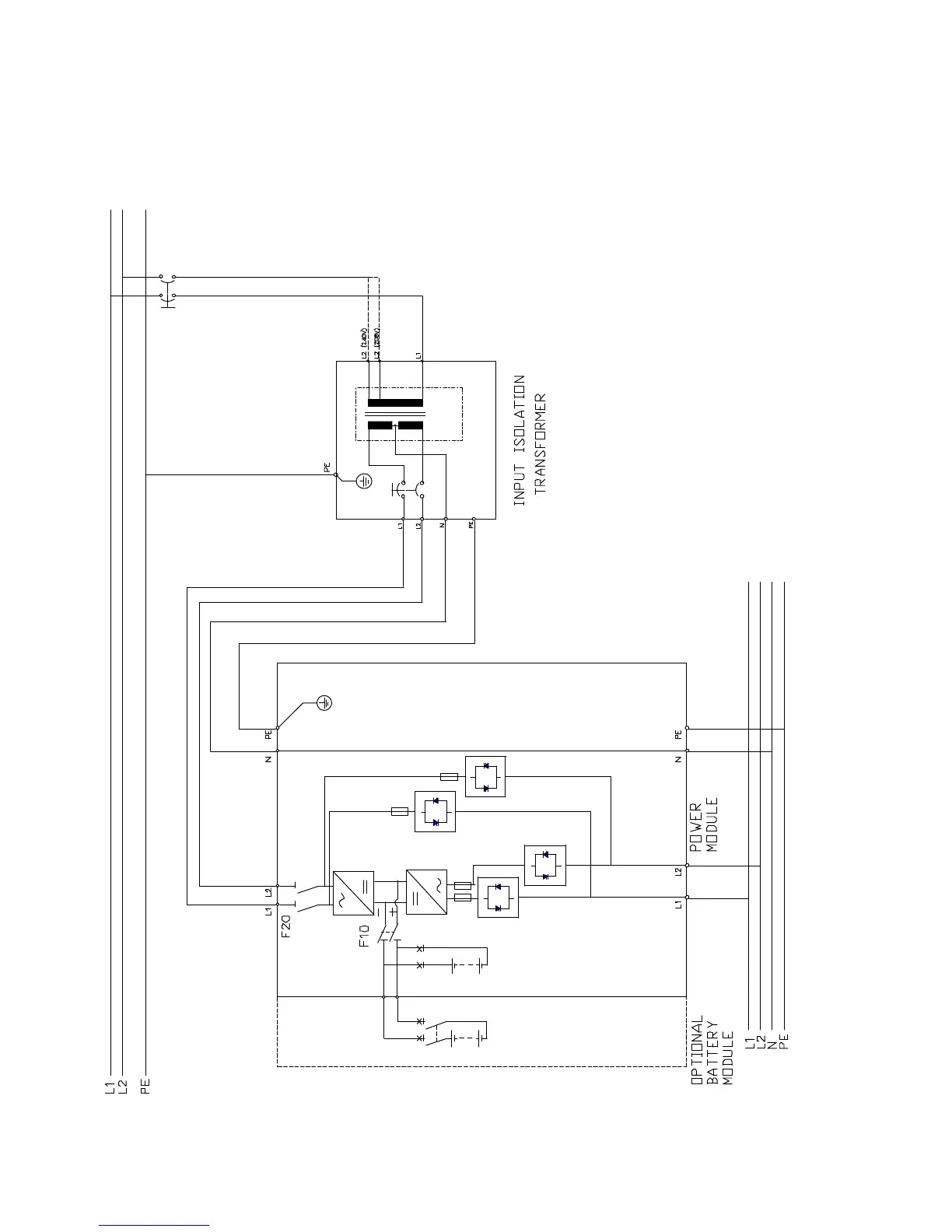
INPUT ISOLATION TRANSFORMER INSTALLATION
Eaton 9155 UPS (8–15 kVA) User's Guide S 164201553 Rev G (www.eaton.com/powerquality)
22
Figure 12. UPS with Input Isolation Transformer Wiring Diagram

Table of Contents

Other manuals for Eaton 9155

Related product manuals