EasyManua.ls Logo

Eclipse EA500 - Page 295

Eclipse EA500
304 pages
Print Icon
To Next Page IconTo Next Page
To Next Page IconTo Next Page
To Previous Page IconTo Previous Page
To Previous Page IconTo Previous Page
Loading...
5080777B
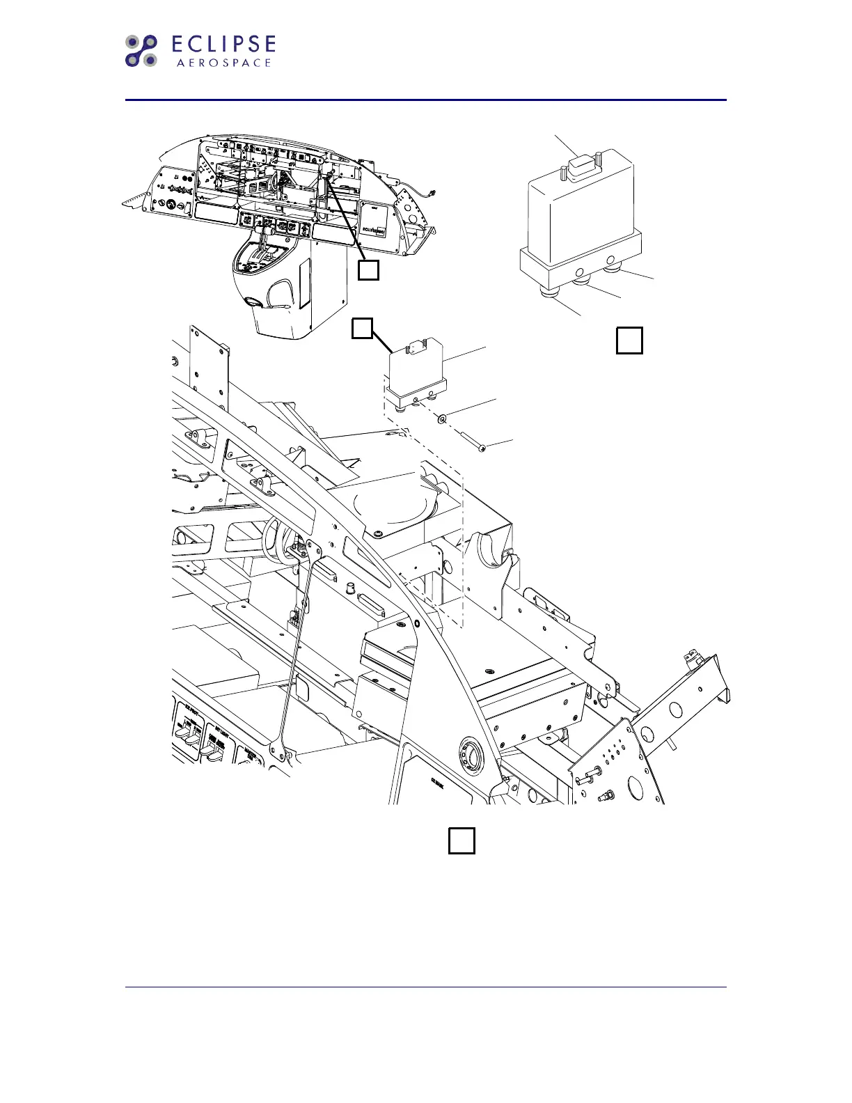
STRUCTURE AND EQUIPMENT
REMOVED FOR CLARITY
NOTE:
1
2 (x2)
3 (x2)
4
5
6
7
A
B
B
A
Transponder Antenna Relay - Removal/Installation (Avio NG +1.5 Display shown)
Figure 401 (Sheet 1 of 1)
EA500 Aircraft Maintenance Manual — 06-117751
Temporary Revision No. 34-21
EFFECTIVITY: 0001-0104, 0113-0115, 0120, 0123-0124
POST SB 500-99-002; 0105-0112,
0116-0119, 0121-0122, 0125-0265 POST
SB 500-99-005; AND 0266-0267
34-50-23
Page 403-Inst
Sep 30/20
© 2020 Eclipse Aerospace, Inc.

Table of Contents

Related product manuals