EasyManua.ls Logo

EKOM DK50 - 15. Connection Diagram

EKOM DK50
112 pages
Print Icon
To Next Page IconTo Next Page
To Next Page IconTo Next Page
To Previous Page IconTo Previous Page
To Previous Page IconTo Previous Page
Loading...
DK50
06/2020 - 21 - NP-DK50 simple s DE-4_06-2020
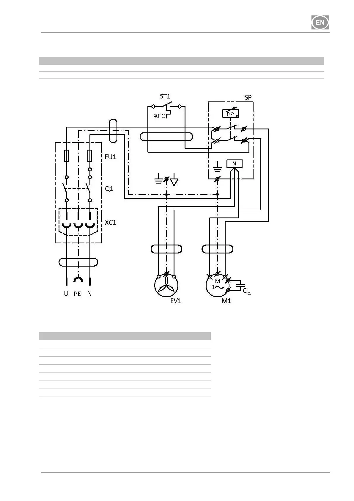
15. CONNECTION DIAGRAM
DK50
1/N/PE 230 V, 50 Hz
ELECTRIC OBJECT OF 1st. CAT
Legend for electrical diagram
M1
Motor of compressor
E1
Fan of compressor
ST 1
Thermo switch
CB1
Capacitor
SP
Pressure switch
FU
Fuses
Q1
Main switch
XC1
Connector

Table of Contents

Other manuals for EKOM DK50

Related product manuals