EasyManua.ls Logo

ELBO CONTROLLI Nikken E346+ - Electrical Diagram

ELBO CONTROLLI Nikken E346+
32 pages
Print Icon
To Next Page IconTo Next Page
To Next Page IconTo Next Page
To Previous Page IconTo Previous Page
To Previous Page IconTo Previous Page
Loading...
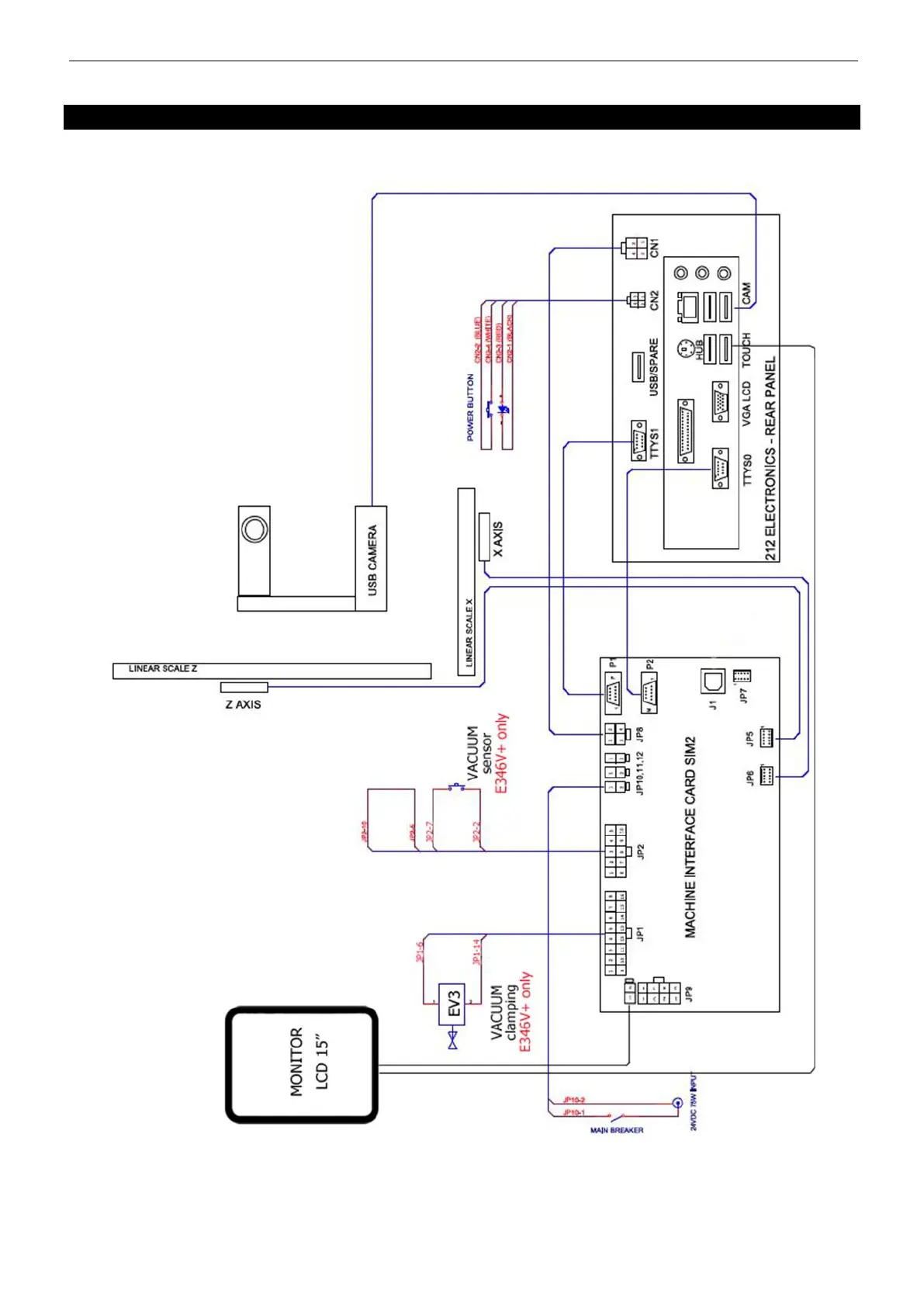
13. ELECTRICAL DIAGRAM ELBO CONTROLLI srl
Preset E346+/V+
13. ELECTRICAL DIAGRAM

Related product manuals