EasyManua.ls Logo

Electro-Voice TG5 - Commandes Et Connexions

Electro-Voice TG5
148 pages
Print Icon
To Next Page IconTo Next Page
To Next Page IconTo Next Page
To Previous Page IconTo Previous Page
To Previous Page IconTo Previous Page
Loading...
TOUR GRADE SERIES
130 Mode d’emploi
Commandes et connexions
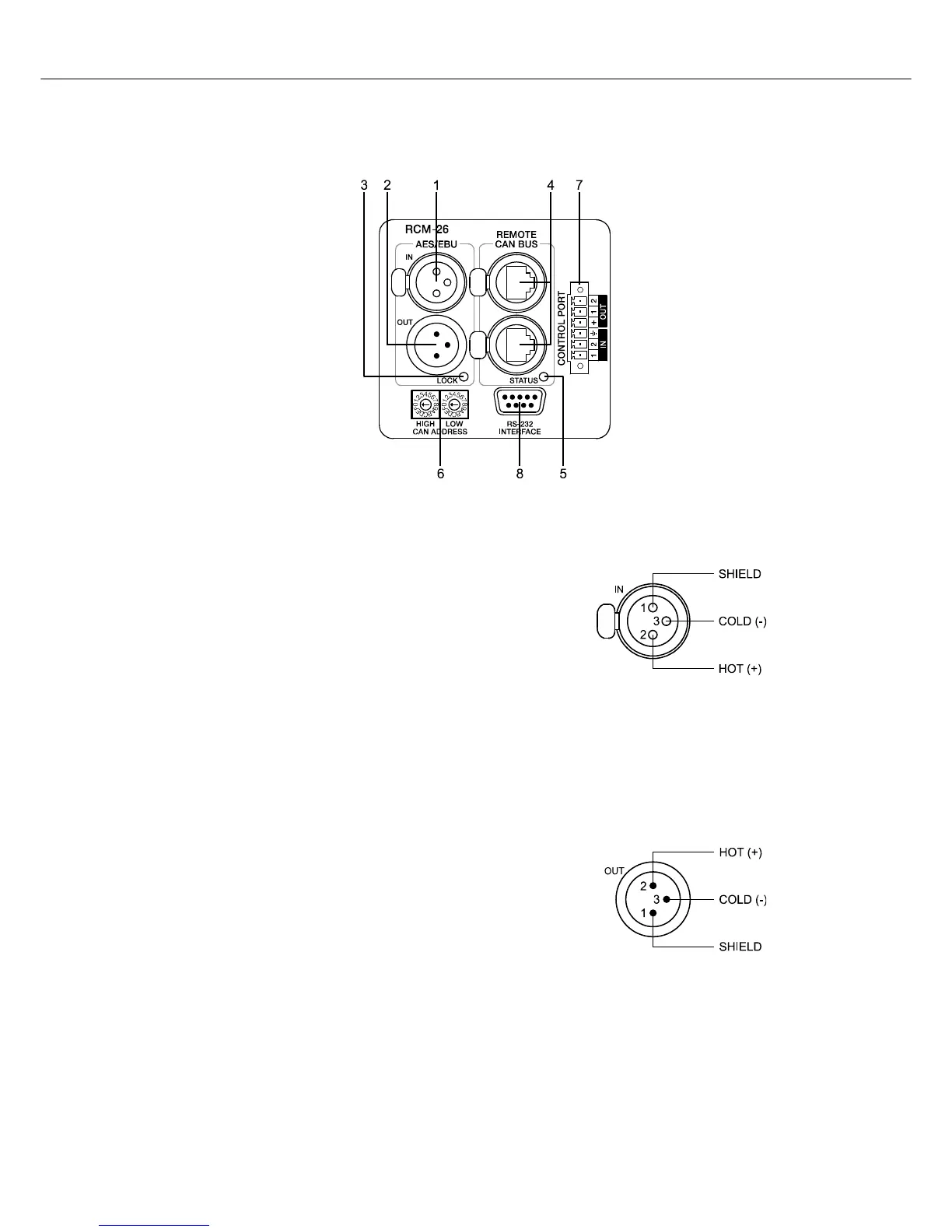
1 AES/EBU-IN
Une entrée numérique AES/EBU (AES3) est fournie en
plus des entrées analogiques internes. Le signal d’entrée
numérique doit être relié au connecteur AES/EBU IN.
L’entrée AES/EBU est isolée par un transformateur
symétrisé. Un convertisseur de fréquence
d’échantillonnage convertit le signal d’entrée pour qu’il
corresponde à la fréquence d’échantillonnage interne.
Toutefois, la possibilité de synchroniser le RCM-26 à une
fréquence d’échantillonnage externe existe aussi. Pour les
détails, veuillez vous reporter aux fichiers d’aide IRIS-
Net™. L’illustration suivante représente le câblage de la
prise d’entrée.
2 AES/EBU-OUT
Le connecteur AES/EBU OUT permet de transmettre le
signal audio numérique à d’autres modules RCM-26. Le
signal d’entrée numérique est bufferisé en interne et
prétraité (correspondance de niveau / fréquence de
fonctionnement) avant de ressortir via le connecteur OUT.
Ceci permet un câblage simple entre les modules, sans
utiliser les habituels amplis de distribution AES/EBU.
Le module RCM-26 est équipé d’un relais-bypass, qui en
cas de problème (ex. saute de courant), connecte le signal
AES/EBU IN à la sortie AES/EBU OUT. Ceci pour assurer
un fonctionnement sans problème des amplis
télécommandés en aval.
Illustration 4.4: Commandes et connexions RCM-26
Illustration 4.5: Câblage de la prise AES/
EBU-IN
Illustration 4.6: Câblage de la prise AES/
EBU-OUT

Table of Contents

Other manuals for Electro-Voice TG5

Related product manuals