EasyManua.ls Logo

Emtron DX-2 - 16 Diagrams and Schematics; Block Diagram

Emtron DX-2
36 pages
Print Icon
To Next Page IconTo Next Page
To Next Page IconTo Next Page
To Previous Page IconTo Previous Page
To Previous Page IconTo Previous Page
Loading...
21
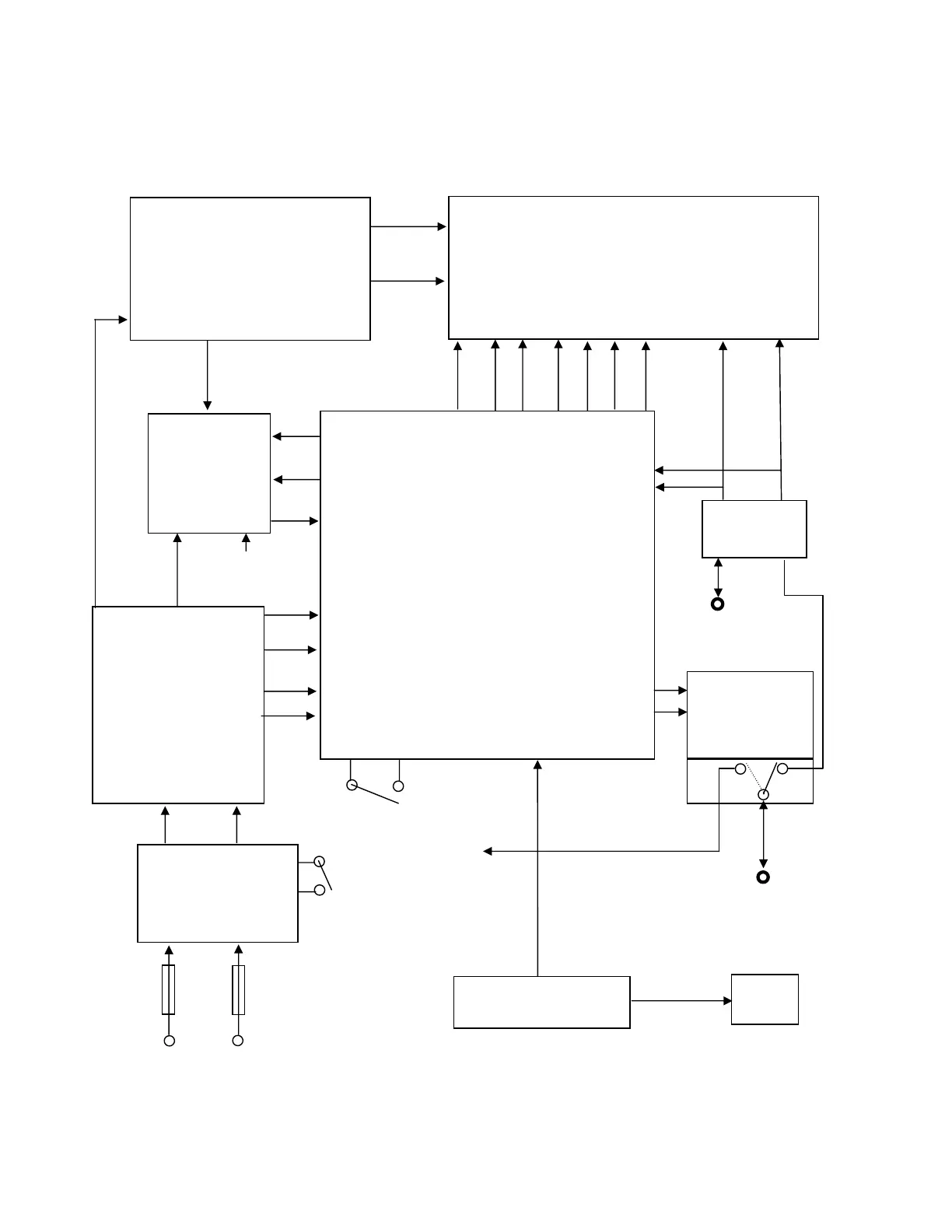
16 DIAGRAMS AND SCHEMATICS
16.1 DX-2 Block Diagram
CONTROL
BOARD
MODULE
POWER
SUPPLY
MODULE
DISPLAY MODULE
RF / TUBE
MODULE
TRANSFOMER
SOFT START
MODULE
&ISOLATION
RELAY
RF
SENSOR
ANTENNA
RELAY
(or QSK)
TEMPERATURE
SENSORS
FAN
SPEED
CONTROL
TEMPERATURE
CUT-OFF
V
p
I
p
+5V
FAULT
READY
ON AIR
SWR
O/D
I
g
2
P
f
P
r
SWR PROT.
HV DC
HV AC
Eg2
-E
g
1
EBS
AC
FILAM.
RF In
(From ANT Relay
or
Q
SK
)
AC SCREEN
AC GRID
AC LOGIC
AC QSK
AC MAINS
FUSE
ON/
OFF
STBY
/OPR
Relay
RF In
(To RF/TUBE
Module
)
AMPLIFIER IN
(Transceiver)
AMPLIFIER OUT
(Antenna)

Table of Contents

Related product manuals