EasyManua.ls Logo

Enerdrive DC2DC - Appendix A1: CH1 Battery Type Configuration; CH1 Bulk Current Setting

Enerdrive DC2DC
40 pages
Print Icon
To Next Page IconTo Next Page
To Next Page IconTo Next Page
To Previous Page IconTo Previous Page
To Previous Page IconTo Previous Page
Loading...
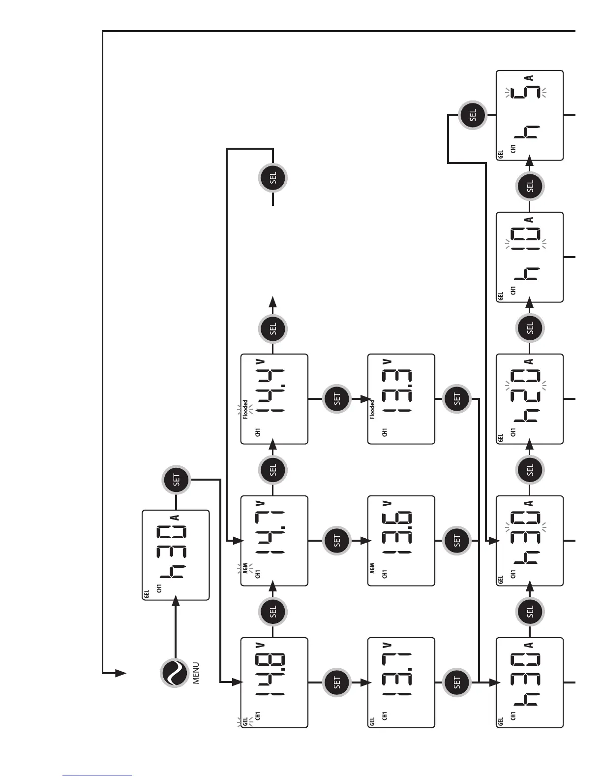
Press and hold MENU button for
3 seconds to enter the
Charger Function Menu
For Lithium and Program
Battery Types refer to
Appendix A2
Press SEL
to change
current
Press SEL
to change
current
Press SEL
to change
current
Press SEL
to return to
change current
Appendix A1
VERSION: REV 2.02 - Feb 2016
Charger conguration is a simple step by step process as shown below.
For Tech Support call Enerdrive on 1300 851 535
NOTE: The current setting below is based on the EN3DC30 battery charger.
Display will show recent setting.
CH1 BATTERY TYPE
CH1 BULK
CURRENT
Display shows GEL & Bulk
Voltage as currently set.
Display shows Bulk Current as
currently set.
Display shows the Float
voltage for GEL.
Display shows the Float
voltage for AGM.
Display shows the Float
voltage for Flooded.
Press SEL
to change
battery type
Press SEL
to enter high
current menu
Press SEL
to change
battery type
Press SEL
to change
battery type
Press SEL
to return to
battery type
Press SET to enter
BATTERY TYPE
selection menu
Press SET to keep the
current setting and
toggle to the next menu
Press SET to keep the
current setting and
toggle to the next menu
Press SET to keep the
current setting and
toggle to the next menu
Press SET to keep the
current setting and
toggle to the next menu
Press SET to keep the
current setting and
toggle to the next menu
Press SET to keep the
current setting and
toggle to the next menu

Related product manuals