EasyManua.ls Logo

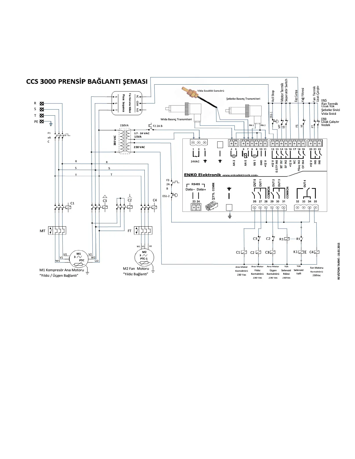
Enko CCS 3000 - CCS3000 Connection Diagram

Default Icon
26 pages
Print Icon
To Previous Page IconTo Previous Page
To Previous Page IconTo Previous Page
Loading...
26
CCS3000 Connection Diagram

Table of Contents