EasyManua.ls Logo

ESAB PEH4.0 - Page 24

ESAB PEH4.0
74 pages
Print Icon
To Next Page IconTo Next Page
To Next Page IconTo Next Page
To Previous Page IconTo Previous Page
To Previous Page IconTo Previous Page
Loading...
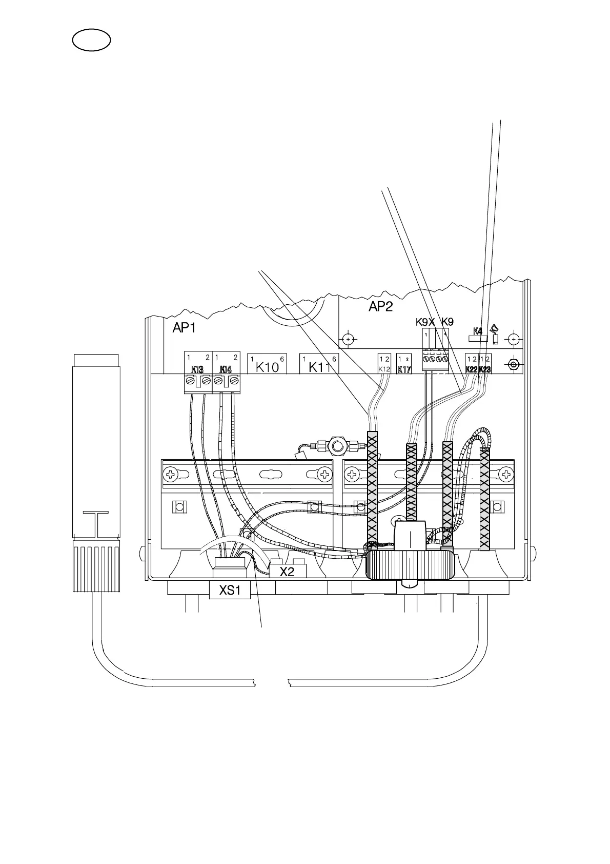
Connection of a Pilot lamp (accessory)
Connect the transformer primary (42V) to K14.1 and K14.2.
The transformer and pilot lamp are included in a complete set of compo-
nents for incorporation in the unit and must be ordered separately.
Connection of an external emergency stop (accessory)
Remove the internal emergency stop connection and connect
the external emergency stop circuit to X2.2.
Input for connection of a gas flow guard (NC), limit switch or external stop function.
Screened 2--wire 2 x 0,75 mm
2
, connected to K23.1 and K23.2.
Output for connecting a flux or gas valve, 42 V AC max. 0,5 A
Screened 2--wire 2 x 0,75 mm
2
, connected to K12.1 and K12.2.
Input for connection of a water flow guard (NC), limit switch or external start function.
Screened 2--wire 2 x 0,75 mm
2
, connected to K22.1 and K22.2.
-- 2 4 --
fzb2i1ea
GB