EasyManua.ls Logo

Eumig MARK-S SUPER 8 - Page 31

Eumig MARK-S SUPER 8
34 pages
Print Icon
To Next Page IconTo Next Page
To Next Page IconTo Next Page
To Previous Page IconTo Previous Page
To Previous Page IconTo Previous Page
Loading...
C
Shs
By
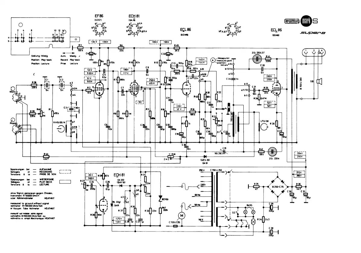
Stellung:
Wiedg.
Autn
Wiedg.
»
aE
Position
:
Play-
back
Record
Playback
Position
:
Lecture
Prise
Lecture
100k
A
sav
|
Tez
Csiv
|
Sy
a
|
Sisv_
|
'
Hi
.°)
Los
bas
R28
D
Sparnnungen
bei
AUFNAHME
c---4
Voltages
at
RECORDING
ey
Tensions
&
la
_
PRISE
DE
SON
ar
Spansungen
be
-——
WIEDERGABE
Voltages
at
PLAY-BACK
Si]
Tensions
&
la
LECTURE
anne
Signal,
gemessen
gegen
Chassis,
Instrument
R=
100000
Ohrn/¥
oder
Réhrenvottmeter
HEATHKIT
measured
to
ground
without
signal
voltmeter
R=100.000
Orr
Voit
ar
Vacuum
Tube
Voltmeter
HEATHKIT
meturé
us
masse
sors
si
voltmétre
R2100000
Orhm/Volt
ou
vottmétre
a
ampli
Mectronique
HEATHKIT
Qa
1}
C3ri150n
cote
[470%
KHS/OS/N[
a?
b7/8
=
e
EF
86
(6267)
OA
202
(BAY
18)
ECH
81
(6A
J@)
9!
92.4
al
§=“o\at
E
ga\o
O/k,g5,5
Cl
86
aS
(6Gwe
Tyeov
|
R%
144V
See
ee
R18
150k
pp
=
®
R21)
(GES
26)
Qa
61
0
Vv
C
700U
235
8
>
ad
aa
nw
f=
=
4
700
U
287
=
nn
()s
4
2
Bad
an
C700
U
252
yo
|
OP
NN
9!
A)
(2)
aT
kPs,g3
00
6
OF
g2
ECL
86
gs
oP
7
(6Gwe)
_
Mesepunkt
YG;
~measure
pont
Gy
“position-
aud
lecture
C2
b13/14Q
wie
20
tae
!
CEE
In
T255v_|
bi2,,
cn
ons
an
all/i26
=a
"
2
t
bid
von
F
R2
0,47
770
k
=
|
R35
=m
|
a7
|
aA9s
q
|
\]
|
$2
x)
&
ad
ry.
C)
R34]
[303
PPh:
C2
320y

Related product manuals