EasyManua.ls Logo

Euroscan MX1 - Serial Connection

Euroscan MX1
23 pages
Print Icon
To Next Page IconTo Next Page
To Next Page IconTo Next Page
To Previous Page IconTo Previous Page
To Previous Page IconTo Previous Page
Loading...
Euroscan MX1 7
Document number: EN-301-1:UD - based on Firmware version 1.033 and forward
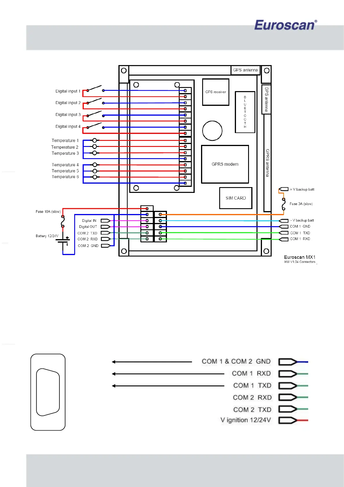
Fig. 3 Input signals, COM ports, Power
2.6 Serial connection
To set parameters, the MX1 recorder should be connected to a pc by using a serial connection. Euroscan offers
a connection cable (P/N: CC-0851-01) for this purpose. When your pc doesn’t have a serial port, you have to use
a USB to serial (RS-232) convertor and you can use a USB-port instead of a serial port.
Connect a serial cable between your PC and COM 1 on the MX1, as depicted in the following diagram.
Fig. 4 Serial connection
O
O 2
O 3
O
O 5
pin 5
pin 2
pin 3