EasyManua.ls Logo

EWM Taurus 355 Basic TDM - Page 45

EWM Taurus 355 Basic TDM
61 pages
Print Icon
To Next Page IconTo Next Page
To Next Page IconTo Next Page
To Previous Page IconTo Previous Page
To Previous Page IconTo Previous Page
Loading...
Design and function
Special parameters (advanced settings)
099-005221-EW501
16.04.2014
45
ENTER
+
EXIT
l
0
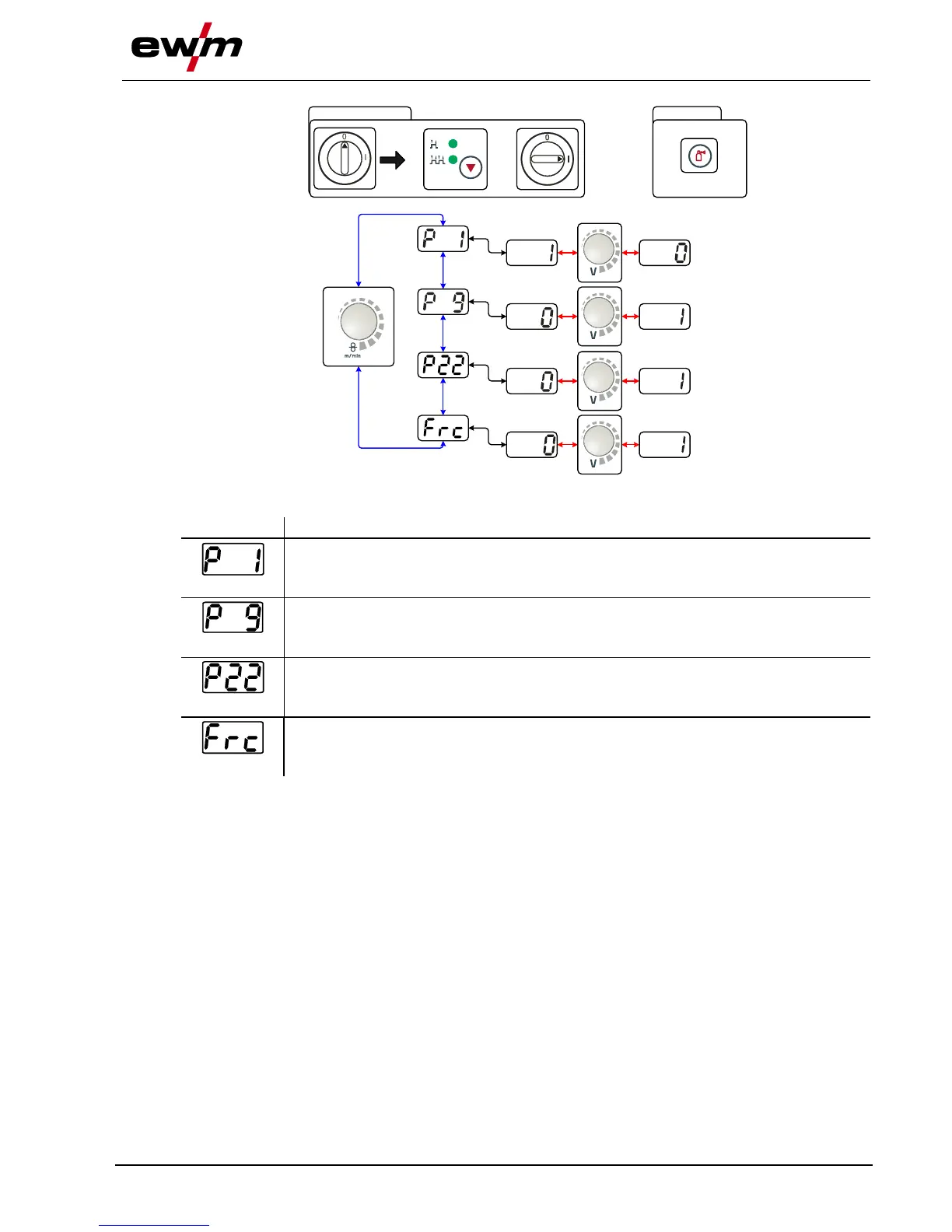
Figure 5-23
Display
Setting/selection
Ramp time for wire inching
0 = normal inching (10s ramp time)
1 = fast inching (3s ramp time) (Ex works)
Lat. and sp. lat. tapping start
0 = no latched tapping start (Ex works)
1 = latched tapping start possible
Support for wire feeders with voltage-sensing.
0 = Function switched off
1 = Function switched on (ex works)
Alternative remote control coding (FRC)
0 = no alternative remote control coding (works setting)
1-15 = alternative remote control coding

Table of Contents

Other manuals for EWM Taurus 355 Basic TDM

Related product manuals